Who I Am — A Memoir

Chapter 1: My Father

Father's listening room in his later years with handmade speakers (Photo 1-00)
My father’s listening room in his later years. On either side, speakers he built himself. His third pair.

1-1 My Father

Why did I end up collecting 2,700 types—300,000 pieces—of transistors? To tell that story, I have to start with my father.

My father was a man of many interests.

Cameras. Fishing. Classical guitar. And audio.

No—more than many interests. My father didn’t just have hobbies—my father was DIY. A man who simply had to do everything with his own hands.

Photography started in his student days, beginning with a Nikon F. In his later years he became absorbed in twin-lens reflex cameras. He would buy retro cameras, junk cameras, tear them apart for components, and build his own.

When he was young, he often went night fishing with coworkers. I was regularly dragged along to fish off the breakwater.

The breakwater, with concrete wave-breaker blocks stacked layer upon layer, was treacherous footing. No matter how many times I went, it never stopped making me nervous. My father, though—sure-footed, almost skipping across. I traced his steps, terrified, inching closer and closer to the water’s edge.

“Right. This is our spot today.”

I did as told, rigged the line. Two rods, side by side.

On one such day, my father landed an ishidai—a striped beakfish. Close to sixty centimeters, it must have been.

Holding my breath, watching him fight the fish. Ten minutes—no, probably more than twenty.

“There we go.”

The sheer size of it. I was simply overwhelmed.

“Hey—caught an ishidai. Ishidai! You know how good these are? Top-grade stuff.”

Before I knew it, the sun had nearly set. We packed up in a hurry, hands on the seawall railing, back to the bicycles.

A cooler box, strapped tight to the rear rack.

Pedaling after it. A little faster than usual.

The moment we got home, my father said:

“Get me the sumi ink and the hanshi.”

My mother set them out. The ishidai—already cleaned, by the look of it—and my father began brushing ink across its body.

What was going to happen?

Down on hands and knees, peering in.

When the ink was done, he gently laid a sheet of hanshi over the fish and pressed the shape. A gyotaku—a fish print.

I remember clearly—he even painted in the stripes by hand.

Once the ritual was over, a large platter appeared, covered with sliced sashimi.

“How’s that? Good, right?”

Translucent, paper-thin slices—usuzukuri. The whole family ate until we could eat no more.

My father rarely stood in the kitchen. But when it came to filleting a fish, his hands were sure. At times like these, he looked pleased.

Unfortunately, the striped gyotaku survives only in memory now. One print does remain, though—close in spirit to the original. A kurodai (black sea bream) gyotaku, from a time when my father had taken up boat fishing.

Gyotaku fish print of a 56 cm kurodai caught by father, January 1988 (Photo 1-02)
Gyotaku of a 56 cm kurodai (black sea bream) caught by my father. January 16, Shōwa 63 (1988). For years it hung, framed, in our entryway.

On weekends when he didn’t go fishing, he would play the guitar. He had learned from a friend in college, he said. He often played “Jeux interdits”—the piece known in English as “Romance”—for us.

Weekend house with music, handmade bamboo guitar stand (Photo 1-03)
There was always music in our weekend house. The bamboo guitar stand was his handiwork too.

He owned stacks of sheet music. Even when the covers fell apart and the pages went ragged, he would rebind them with cardboard. A father who mends what he uses. One book had a drawing of the guitar he had kept at his side for years.

Father's guitar solo collection with hand-drawn cover, depicting his YAMAHA GC-5C (Photo 1-04)
A guitar solo collection my father treasured. The cover drawing depicts his YAMAHA GC-5C. When the cover came off, he made a new one by hand.
Mood music, bossa nova, kayokyoku records — music always filled the weekend house (Photo 1-05)
Mood music, bossa nova, kayōkyoku, old favorites. There was always music in our weekend house.

Looking through the sheet music he left behind, I feel as though I’m glimpsing my father in a time I never knew.

He must have had some good years. Probably.

In his later years, he would head out in the morning, rod over his shoulder, fitted with one of his homemade lures—off to catch octopus.

By midday he’d be at a flea market, browsing for finds at his own pace. Some days he came home with a guitar or a piece of audio equipment.

But when the octopus were biting, that was different. He would cut things short and head straight home.

One knife. Quick, clean slices—sashimi. Wasabi, soy sauce, and a beer.

“How’s that? Good, right?”

That little note of swagger—pure Kansai. Same as ever.

“Yeah. Doesn’t get any fresher.”

The two of us picking at the sashimi, as we talked. Sooner or later, the talk would drift to audio.

Most weekends went something like that.


1-2 A Man Who Built Things

When my father set out to build something, there was a tenacity to it.

Take his speakers. The second pair he built—right when his audio DIY was at its peak—shows just how far that tenacity went.

For the woofer, he chose the largest driver our house could possibly accommodate. He assembled the cabinet from wooden panels, then clad the entire thing in another layer of boards and poured cement into the gaps. A three-layer enclosure, built solid.

Father's second speaker build, bass-reflex with JBL 2226J woofer and horn midrange (Photo 1-01)
My father’s second speaker build—a bass-reflex design. Shown here in its later years, with an upgraded grille. A JBL 2226J woofer handled the low end; a horn unit covered the midrange. He valued the thickness and rigidity of the voice coils.

For the midrange, he used a horn unit for the first time. And even then, the manufacturer’s stock plastic horn wasn’t good enough—he encased it in cement too.

JBL 2380A horn with 2446J driver, exterior hardened with cement to eliminate resonance (Photo 1-40)
A JBL 2380A horn with 2446J driver, the exterior hardened with cement. The conviction of “no resonance” made visible.

“Oh, I went all out. Took a hell of a lot of work, too.”

Solid. Heavy. No resonance. No rattle. That was how he thought about it. The result was a pair of speakers so heavy you could barely move them.

My father had always been particular about what speaker cabinets were made of.

One day, when I was still in elementary school, my father had finally gotten himself a proper component stereo system and was getting ready to go shopping for speakers. All morning, preparations.

“Hey—we’re going out.”

I got to tag along.

It was a proper audio shop, I’ll give it that. Speakers of every shape and size, lined up one after another.

Compact ones you could put anywhere. Tall, slim ones that would fit into a narrow gap. And then the massive ones—where would you even put something like that?

I turned around. There was my father, knocking on a speaker cabinet.

“What are you doing?”

I asked, and he told me this:

“This? I’m checking how it sounds. Listen—this one here, when you tap it, hear that? A tight, solid sound. A cabinet like that doesn’t let sound leak out.”

“Oh, really?”

“See, a speaker puts out sound from the front and the back at the same time. If the sound from the back wraps around, it cancels out the front. Weakens it.”

“Uh-huh.”

“And the lower the frequency, the worse it gets. That’s why you put it in a box. Harder the wood, the better. Doesn’t let the sound through.”

“Oh.”

Knock, knock.

Knock, knock.

Pleased as punch, I went around rapping on every speaker cabinet in the shop. Never mind that I had no idea what I was listening for.

Knock, knock. “How about this one?”

“That’s it. That’s the good stuff.”

I must have had the proudest look on my face.

After that, my father went on talking—about infinite baffles and all sorts of other things.

But that day, he didn’t buy a thing. We went straight home.

Whether nothing had caught his eye, or whether it had been a scouting mission all along—I’ll never know. In the end, it seems he decided to build his own.

A back-loaded horn. My father’s first speaker build.

Father's first back-loaded horn speaker with FOSTEX SLE20W edgeless woofer (Photo 1-23)
My father’s first build: a back-loaded horn. The woofer is an edgeless FOSTEX SLE20W (20 cm)—a flagship release from Fostex during the golden age of audio. My sister and I once stuck our heads into the horn opening and yelled into it.

I remember clearly—he took about three days off work and built it in one go. The balcony was piled high with cut lumber, no room to set foot. What little work space remained was buried in scraps and shavings.

“Hey—give me a hand.”

He said that, but there was barely room to stand.

Normally, my father could grab a saw or a plane and start building without so much as a drawing. But when it came to speakers, something changed.

The moment dinner was over, out came the notebook. I peeked inside—pages filled with complicated-looking equations. Every press of the calculator added another line. Then he’d scrub half of it out. The drawings, same thing. The desk was always covered in eraser dust.

“Hm? Oh. It’s harder than you’d think—getting the dimensions right.”

Cross-section design drawing of back-loaded horn sketched on the speaker's rear panel (Photo 1-24)
Cross-section drawing of the first back-loaded horn, sketched directly onto the speaker’s rear panel. “fc ≒ 27 c/s” is written in. Dimensions noted in red at various points.

A back-loaded horn is a complex structure. Once my father started building, he could finish in no time. But the design, I think, took considerably longer.

Maybe that was a glimpse of his day job showing through. He designed bridges and tunnels for a living.

Incidentally, it was my uncle on my mother’s side who had introduced my parents. According to my mother, this uncle, too, worked in engineering—the kind of man who built his own vacuum-tube television set. A builder drawn to a builder, as if by magnetism. Maybe that’s just how it was.


1-3 Still, a Man Who Builds

My father studied electrical engineering. While still a student, he built a vacuum-tube oscilloscope from scratch.

The book he used as reference at the time still survives.

Television Service Test Equipment by Fujimaki, 1962 — father's oscilloscope reference (Photo 1-07)
Television Service Test Equipment by Yasuji Fujimaki. The book my father used as reference for building his oscilloscope. 1962 edition.

After he married, my father kept the oscilloscope tucked away on a shelf for a long time. One day, he pulled it out and let me have a look.

In the upper left of the front panel sat a round screen, maybe ten centimeters across. A black cylindrical hood jutted out around it—impossible to miss. I peered in. A grid of fine lines, like graph paper. Back to the panel. Knobs and switches, lined up in rows. I had no idea where to even begin.

He turned it over and let me see inside.

Thick, tube-shaped enamel resistors in green. Gray carbon resistors. Yellow titanium capacitors. Oil capacitors in silver and black, and electrolytics.

The colors were all muted, but each piece was big. Each one had presence. A completely different scale from the parts inside a transistor radio.

“Well? Quite something, isn’t it?”

I was staring into the chassis, unable to look away. My father went on.

“Actually—this thing gave me a real scare once.”

“This was back when I was still a student.”

Resolved to build an oscilloscope from scratch, my father had thrown himself into the work. But it proved harder than he expected, and the days kept piling up. Finally, the day came for the last adjustments.

Father's working copy of the oscilloscope circuit diagrams, covered in handwritten annotations (Photo 1-08)
Father’s working copy of the oscilloscope circuit diagrams—read so often the pages fell apart. Covered in notes. Even the tape patching the torn edges has grown brittle with age.

Working on the tatami floor, nearsighted as he was, he had been leaning in closer and closer.

“Ah—”

He touched the transformer’s thousand-volt terminal.

“A thousand volts is a different matter. A hundred, two hundred—you can manage. But at a thousand, your hand locks on. You can’t just pull away. For a moment there, I couldn’t breathe. Really.”

Luckily, my grandmother happened to be right there. She rushed over and pulled him free, so it didn’t end badly—but his heart wouldn’t stop pounding, and he had to lie down for a good hour afterward.

My eyes went to the transformer. A black cube, larger than my palm. Sure enough—”1000V.” Three zeros in a row. I remember the goosebumps.

The aluminum chassis, too, had been fabricated from sheet metal, start to finish—or so I was told.

My grandfather had been a coppersmith by trade, and my father enlisted his help to finish the job. The hood over the cathode-ray tube, however, was my grandfather’s own work.

I had seen my grandfather at work, too, when I was small—shaping sheets of copper into rain gutters.

My father’s family ran a small udon shop. My grandmother managed the place and took catering orders from the neighborhood.

Through the shop curtain, a small dining area with an earthen floor. Slide open the frosted glass door, and right there was the living room. A charcoal brazier. To the right, a corridor and a small courtyard where koi swam. To the left, stairs leading to the second floor. And beyond, in the back, a six-mat room.

So even in the daytime, the living room was dim. My grandfather spent most of his days there. In the half-light, working a wooden mallet against a form, quietly stretching copper into shape. The memory is hazy now, but that is how I remember it.

The oscilloscope chassis, finished with my grandfather’s help. By the time I saw it, though, white corrosion had bloomed across the surface. It had been stored on a shelf near the bath—not the best place for it.

I can still picture that corroded chassis clearly. I must have been staring hard at the rust. It may have been the first time I ever became aware of something like the passage of time.

The Synchroscope Dream

The oscilloscope no longer worked. My father, who had already set his sights on building a synchroscope in its place, went on.

“A synchroscope—now that’s the real thing. You can freeze a waveform dead still and just look at it.”

I had absolutely no idea what he was talking about. But my father kept bringing it up—synchro this, synchro that—at every opportunity. Synchro equals something amazing and useful. That was probably the full extent of my understanding. Or perhaps the word “synchro” had simply synchronized me—by force.

Early-1960s synchroscope advertisement from a worn technical book (Photo 1-37)
An early-1960s advertisement for the latest synchroscope. The pages are falling apart, but the atmosphere of the instruments my father dreamed of is all here.

The oscilloscopes of that era had primitive triggering.

Suppose an oscilloscope were a camera, trying to capture a jump rope in motion.

An old oscilloscope was like snapping the shutter at random, with no idea where the spinning rope was at any given moment. Because the timing was never locked, the rope became nothing but a blurred, overlapping mess—doubled, tripled, shaking in every direction. Sometimes it wouldn’t even form an image at all.

Using one took real skill. They were not easy instruments.

A synchroscope, on the other hand?

It waited for the exact moment the spinning rope touched the ground—then fired the shutter. Because the timing was locked, the rope became a perfectly still image.

That moment was the “trigger.” It synchronized the rope’s motion with the shutter. That is where the name synchroscope comes from.

Think of it as something like autofocus on a camera.

It is not hard to imagine how revolutionary that must have been.

Conversely, every modern oscilloscope is, in effect, a synchroscope. They were once considered entirely different instruments.

Toward a Synchroscope

My father began gathering parts for the synchroscope around the time I started junior high.

One weekend, rummaging through the garage for something, I came across a tin box packed with old electronic parts. One look and I knew—these had been pulled from the oscilloscope.

He had taken it apart, then.

My father was nearby, working on something. I asked him.

“You kept the oscilloscope parts?”

“Yeah. Just the ones that still looked usable.”

“Oh—it’s here too! That thing!”

Next to the tin box sat a lump of iron with a history. The thousand-volt transformer.

“That’s a good SANSUI. For transformers, SANSUI was the gold standard. You won’t find one of these anywhere anymore. A real treasure.”

Its jet-black body was almost a perfect cube, every side the same length—maybe twelve centimeters or so. No rust to speak of, no sign of wear. Across the top, rows of silver pin terminals lined up on either side. Between them sat an aluminum nameplate, bearing the distinctive logo: the kanji for “mountain” fused with the letter “S.” I found myself staring.

Eyes on the thousand-volt terminal, I murmured.

“That story, though—just hearing it gave me chills.”

My father’s hands paused for a moment.

“That was a real close call.”

After that, every time he traveled to Tokyo on business, my father would stop by Akihabara and pick up the kind of specialized parts he couldn’t find back home. Steadily, piece by piece.

A paper capacitor rated at fifteen hundred volts, for instance.

Porcelain-insulated terminals, imposing. About the size of a cigarette pack. Painted silver, with a solid, no-nonsense look about it.

Come to think of it, the old oscilloscope had had one too—its silver paint slightly worn.

Placed side by side, the old one was smaller, boxier—flat-sided where the new one had rounded edges. Not so much ruggedness as a different era showing through.

He had also gotten hold of a cathode-ray tube—the centerpiece.

New to him, at least. It showed signs of use. He must have found it secondhand.

And it was not the round type I had seen before. This one was rectangular. Bigger, too—or rather, longer. It was going to need a larger enclosure.

“Looks easier to read.”

“Nice, right? Thing is, I couldn’t find the specs for it.”

“So I called NEC, just on the off chance. Old model and all, but they actually looked it up for me. Even sent the documentation over. Here—look at this envelope.”

My father, spreading the drawings and specifications out on the table. Beaming.

“Now I can build that synchroscope.”

My father—who wouldn’t stop, not even after a thousand volts. He was a man who built.


1-4 The Vacuum Tube Man

Seen through his son’s eyes, my father was “the vacuum tube man.” Whenever he sat down to design a circuit, the Zen-Nihon Shinkūkan Manual was always within reach. His copy was apparently the expanded edition, covering major Western audio output tubes as well. Handy in size but several centimeters thick—a dictionary, practically.

All-Japan Vacuum Tube Manual with worn cover repaired with grey tape (Photo 1-06)
The Zen-Nihon Shinkūkan Manual (All-Japan Vacuum Tube Manual). A single volume containing drawings, specifications, and characteristic curves for major tube types. The worn clear book cover has been mended with grey tape.

At the Tube Shop

Vacuum tubes—essential for building a synchroscope. My father had been steadily acquiring those, too.

He had a regular tube shop he frequented.

A weathered sign. A faded awning.

Step inside the dim interior, and there they were—vacuum tubes beyond count. Every wall, floor to ceiling, packed solid with boxes.

Name a part number, and the shopkeeper would set off toward the right box, shuffling sideways through the narrow gaps.

He must have had every location memorized.

A quick reach, a firm tug—out it came.

How he managed without bringing the whole stack down was beyond me.

Toshiba, National, NEC… boxes from names I knew. Boxes from names I didn’t. A mix. Most looked a little worn. Some had faded. But some looked crisp. Almost new. That seemed odd. I asked my father.

“Hey, are vacuum tubes still being made anywhere?”

“Yeah. Seems like they’re still making them over in Eastern Europe, the Soviet Union, places like that.”

“Huh.”

By then, vacuum tubes were no longer center stage. But production continued at a handful of manufacturers, and brand-new current-production tubes could still be had.

“The ones in plain white boxes—unbranded stock—those are cheap. Toshiba’s are the good ones. Now, Telefunken…”

I watched my father’s back as he went on appraising, nodding along. I had no idea, back then, that one day I would be the one doing the insisting.

Feeling nostalgic, I pulled out the boxes of tubes my father left behind. The lineup is diverse.

Vacuum tubes for synchroscope project — NEC, Toshiba, RCA, GE, Siemens, Telefunken, Cetron (Photo 1-09)
Vacuum tubes my father had been accumulating for his synchroscope project. NEC, Toshiba, Matsushita, RCA, GE, Siemens, Telefunken, Cetron, MAX…

Audio staples: 12AU7 (ECC82), 12AX7 (ECC83), 12BH7A.

Synchroscope types: 6AQ8, 6EJ7, the wideband 6DJ8, and the 1X2B for high-voltage rectification.

Oddities that glow like neon: the 5651 voltage reference tube, and voltage regulator tubes VR-105 and VR-150.

I turn to the larger tubes. There are several 6080s.

The Choice of 6080

A single 6AS7G found among Toshiba 6080s, in an RCA box labeled in father's handwriting (Photo 1-27)
Among the many Toshiba 6080s, a single 6AS7G had found its way in. It came in an RCA box. Written on it in my father’s hand: “6080.”

The 6080 is a dual triode developed for regulated power supplies, with low plate resistance and the ability to handle heavy current.

In those days, my father’s bookshelf was lined with titles on power supply regulation. Stabilizing the supply—that was practically his refrain.

He had built his own oscilloscope and learned firsthand how voltage fluctuations could throw off a measurement. For him, it was perhaps a natural choice.

Before I knew it, the assumption that power supplies are meant to be regulated had taken root.

What makes this interesting is that the 6080 also happens to be ideally suited for the OTL amplifier, which comes up later.

Instruments and audio. My father had both in mind when choosing his part numbers and manufacturers.

“Now, the 6080…”

The vacuum tube man—or rather, a man born into the age of the vacuum tube, who grew up alongside them, whose very youth was the vacuum tube itself. That, I think, may be closer to the truth.


1-5 An OTL Man

Back to audio.

Father was an OTL man—Output Transformer-Less.

As I mentioned, this was another reason he had been stockpiling those 6080s.

Committed to OTL

“This one here—I used to read this all the time. On OTL.”

Design and Construction of OTL Amplifiers by Kazuma Takesue, 1967 edition (Photo 1-10)
Design and Construction of OTL Amplifiers by Kazuma Takesue. The name closely associated with OTL amplifier design in Japan. 1967 edition.

Kazuma Takesue—a pioneering figure in OTL amplifier design in Japan.

“For amps, you can’t beat OTL.”

“OTL?”

“Without the transformer, the bass really comes through.”

“Mm-hmm.”

“And the damping factor is good.”

“Damping factor?”

“How well the amp grips the speaker. Kind of like horsepower.”

“Oh.”

Not many words. But his explanations were calm, steady. And yet, there was heat in them.

Hard to describe, but that was always how Father talked.

The Multi-Amp Ideal

“If you really want to push hi-fi to the limit, it’s got to be multi-amp. That’s where you end up.”

Father was also a multi-amp man. A multi-amp system—as the name suggests—is an audio setup built around multiple amplifiers.

Every speaker has a limited frequency range it can reproduce. The larger the cone, the easier it handles bass—but the harder it is to reproduce highs. And vice versa. In the world of hi-fi, it is standard practice to send the lows and highs to separate speakers. That means using a filter circuit to divide the frequency bands.

Two-way crossover network from father's third speaker build (Photo 1-42)
Separating lows from highs: from Father’s third speaker, a two-way design.

The question is how you split it.

Before the amplifier, or after?

With resistors, or with coils?

Normally, you split after the amplifier. One amp is enough. But at this stage, the signal is carrying real power—enough to drive a speaker—so resistors are out of the question. They would waste the amplifier’s energy as heat. So you use coils.

This output-side filter is commonly known as an LC crossover network, housed inside the speaker enclosure. A network of coils (L) and capacitors (C).

The trouble is the coils. At audio frequencies, you need large inductance values, which means physically large coils. To keep the size manageable, you wind them around a magnetic core. But core materials have a peculiar property—they briefly “remember” the signal passing through. This can alter the sound.

What about splitting at the input instead? Resistors can be used here, so the change in sound can be kept to a minimum. Some energy is lost, but the amplifier can make up for it.

The trade-off: once you split the signal, each band needs its own amplifier. The system grows complex.

“That’s multi-amp.”

Still, Father chose to split at the input.

“You get to connect straight to the speaker. That’s the thing.”

Wire it direct, and the amplifier’s damping reaches the driver with nothing in between. But a loudspeaker doesn’t just radiate sound—it picks up its own vibrations too, generating a voltage that pushes right back. A bronco, yanking at the reins.

The amplifier fights to hold those reins tight—to suppress that unwanted back-EMF. But when an LC crossover network is spliced into the line between amp and driver, it is as though the reins have gone slack. The rider pulls, but the force no longer reaches the horse.

“You need more amps, sure. But each one can be smaller.”

The bass amp handles bass. The treble amp handles treble. No single unit has to do everything. Less work, less power—each amp runs with headroom to spare, and can amplify more faithfully.

“Multi-amp, done in OTL. Doesn’t get better than that.”

Dedicated OTL amplifiers for bass and treble, driving the speakers with neither output transformer nor LC network in between. This was what Father called “true direct coupling.”

For him, this was the ideal.

The remaining problem: you need as many amplifiers as you have speaker drivers. A two-way system calls for two—one for bass, one for the upper range. Three-way means three. Some enthusiasts go beyond four.

An ideal system, but it takes time and money. Even for Father, more than ten years would pass before he got there.

Before the Dream Came True

A man who threw himself into both work and hobbies. And he must have had children to raise, too.

In the end, Father started his audio life with a single amplifier. A Denon turntable, a Sony system component, and a back-loaded horn he built himself. His first pursuit: deep bass.

Mouth of the back-loaded horn where bass emerges through a folded sound path (Photo 1-41)
The mouth of the back-loaded horn. Bass travels through a long, folded sound path before emerging here.

Having committed to splitting at the output, Father was particular about the LC network.

“Air-core coils.”

Coils wound without a magnetic core. Large and small. The larger ones must have been about ten centimeters across, and perhaps three centimeters in both height and width.

Layer upon layer of enameled wire, wound into a doughnut shape, then wrapped tight in red and blue vinyl tape to hold it all together.

“Big, isn’t it? Want to hold it?”

Father held out one of the doughnuts—the larger one, wrapped in red tape.

“Whoa, it’s heavy.”

“Right?”

Nothing but enameled wire—could a coil really be this heavy?

Even now, looking back, the craftsmanship was remarkable.

Father arranged them neatly atop an aluminum case—the kind that looked like a lunch box. Alongside oval yellow capacitors. The underside was closed off with a Bakelite plate. Black rubber feet.

Determined to get the best possible sound, Father had set his mind to winding air-core coils.

Unraveling. Tangling. Losing shape.

I can still picture him, wrestling with that enameled wire.

And so the lunch box with its doughnuts was placed atop the back-loaded horn, still smelling of fresh paint.

Father’s first audio system—complete. The sound in our home had just taken a serious step up.

DENON DP-40F quartz-locked direct-drive turntable (Photo 1-48)
The DENON DP-40F, still with us today. Quartz-locked direct drive. A choice that was pure Father.

Multi-amp, OTL, the oscilloscope—all still just dreams. But from that day on, the records and tapes kept growing. Soundtracks, classical—one after another.


1-6 My Father Starts Again

Around the time my father turned fifty. My sister and I had both found work by then, and he could finally breathe.

He finally had more time on his hands—for photography, for fishing. And for audio.

He began to move again—toward making the dream real. The vacuum tubes he had been stockpiling, it seemed, were finally about to see the light of day.

One thing, however, never came to be.

The synchroscope.

He had already gathered everything he needed—cathode-ray tube, vacuum tubes, high-voltage components, even the enclosure. But when an acquaintance offered him an oscilloscope, the wind shifted.

A 100 MHz storage oscilloscope. Analog, yet capable of digital waveform recording, cursor measurement, and frequency counting. Quite a machine.

“Not much point in building a tube synchroscope now… is there.”

My father murmured, looking over at the oscilloscope on his workbench.

Hitachi VC-6725 oscilloscope on father's workbench (Photo 1-35)
Hitachi VC-6725. On my father’s workbench.

OTL amplifiers. Multi-amp. My father changed course.

Going through the Takesue book my father left, I find certain passages heavily marked. Circuit diagrams traced over in red and blue ink.

OTL circuit page with red and blue pen markings on power and ground lines (Photo 1-11)
A well-marked OTL circuit page. Red and blue pen traces follow the power and ground lines. In time, this circuit would be reshaped by my father’s hands into an amplifier all his own.

In the end, though, my father chose not the 6080 but the 6336—a higher-rated tube, capable of delivering more current.

And he ran them in parallel. Taking Takesue’s single-tube design as his starting point, he must have reworked it into something with more muscle.

Supply voltage: ±280 V, 560 V in total. The design of a man once shocked by a thousand volts.

The OTL Amplifier

When I heard the OTL amp was finished, I headed home with an armful of CDs.

“Here it is.”

Father's OTL amplifier with CETRON JAN 6336B output tubes, four panel meters for monitoring (Photo 1-12)
The OTL amplifier my father built. It remains at the family home to this day. Output tubes: CETRON JAN 6336B, two per channel in parallel, four in total. Estimated output: 15–25 W. Four panel meters monitor supply voltage and bias for both channels.

“Oh. Nice.”

The words slip out.

“Oh—those capacitors. You actually used them?”

“Sure did. Best purchase we ever made.”

Massive capacitors my father and I had spotted at a junk shop, walking through the electronics district together one day. Nearly ten centimeters across. They sit there, heavy and still.

Rear of OTL amplifier with four 10,000 uF electrolytic capacitors (Photo 1-39)
Rear of the OTL amplifier. In addition to the power supply unit, four 10,000 µF electrolytic capacitors are mounted here.

How many years ago was that?

Rows of black and brown cylinders lined up on a steel shelf in the junk shop. Industrial-grade electrolytic capacitors.

I wave my father over.

—”Hey. Look at this. Something cool.”

—”Hmm?”

—”Wouldn’t these be perfect for an OTL? Ten thousand µF!”

—”Yeah. Three-fifty volts. Perfect. Let’s take them.”

“But cutting the holes for these—that took some doing.”

My father grins. The capacitors sit recessed into circular cutouts in the chassis—set flush with the choke coils, he says. Aesthetics first.

Knowing my father, he would have drilled dozens of small holes with a bit just a few millimeters wide, cut out the rough shape, then filed it smooth. Even for a hole nearly ten centimeters across.

“Huh? You separated the power supply?”

“Yeah. No way it was all going to fit in one chassis.”

Dedicated separate power supply unit paired with the OTL amplifier (Photo 1-13)
A dedicated power supply unit, built separately. Used as a pair with the OTL amplifier.

“How many electrolytics are in here? This is insane. And the transformer—huge!”

Custom-made, apparently. Sheer presence.

“Oh, it’s heavy all right. Nearly did my back in.”

My father laughs. I give it a lift.

“Whoa. Heavy.

Way more than ten kilograms. This thing.

I couldn’t help laughing.

My father had always been exacting about power supplies. For this amplifier, he put together a dedicated unit.

Even so, the scale of it. Driving vacuum tubes at high voltage and high current—so this is what that takes.

“The bass is covered.”

He’s not wrong. The capacitance packed in here dwarfs anything in the Takesue book. A vintage circuit, modern components. An order of magnitude apart.

“Hmm. Nice.”

My father’s amplifier—and yet I catch myself murmuring over it as though it were mine.

Connected to the OTL amp, a newly built bass-reflex speaker. Concrete-filled. The second pair.

Across the front, a wooden grille. Dozens of dowels, lined up top to bottom in neat rows. A faint smell of varnish still lingers.

“What’s the driver?”

He removed the grille for me.

“JBL.”

“Whoa. Went all in on that, huh.”

JBL 2226J 38 cm woofer matched to OTL amplifier's driving force (Photo 1-25)
The JBL 2226J (38 cm). A large-diameter woofer, matched to the OTL amplifier’s driving force.

“Hmm? How big is this thing?”

Something about the woofer’s size seems off.

It barely fits the width of the cabinet.

“Thirty-eight centimeters.”

“It’s practically hanging over the edge, though?”

“Wanted to get down to 30 hertz. Changed the design halfway through.”

My father, one hand resting on the speaker.

“Thirty hertz! That’s something.”

“Mm. I measured it. Hang on a sec.”

My father disappears upstairs. A moment later he comes back down, carrying something.

“What’s that?”

“A response checker.”

NIPPON AUDIO RC-1 response checker for room and speaker frequency measurement (Photo 1-26)
The response checker my father used (NIPPON AUDIO RC-1). Measures the combined frequency response of the room and speakers, plotting the results on thermal paper. A handwritten note reads: “2001.6.9 Adjustment.”

“This thing’s great. One button, runs the whole sweep automatically.”

“Here’s the latest.”

My father holds out the thermal paper.

“See? A bit bumpy, but it’s getting down there, right?”

I take the printout. The graph line is jagged, hard to read—but just as he says, it looks like it goes all the way down to 20 hertz.

“It really does.”

“Nice checker, though. You’ve got yourself another toy, huh?”

“Well, yeah. Oh—don’t tell your mother.”

The OTL and the 38-centimeter bass-reflex—a brand-new pair. What kind of sound would they make?

First Light

“Hang on a sec. There’s an order to this.”

“Got to warm up the heaters first.”

“I start the switches from this end.”

Talking half to himself, half to me, my father flips the first switch on the power supply unit.

“Need to check the 280-volt balance too.”

“The midpoint—is it stable?”

“Yeah. That’s why I put four meters on it.”

Two meters sit side by side on the front panel. One for the positive rail, one for the negative.

We lean in together to watch.

“Voltage looks good.”

Both meters read exactly 280 volts. I watch for a moment—no sign of drift, as far as I can tell.

A few minutes pass. The orange glow of the heaters deepens.

“Should be about ready.”

At last, the main amplifier switch is thrown.

“Setting the bias is the critical part.”

A pair of knobs on the side of the chassis. My father reaches for them and turns—slowly, slowly. His eyes are on the remaining two meters. The voltage climbs, fraction by fraction. At around 30 volts, he lifts his hands away.

“Want to play something?”

“Mm.”

It seems we’re ready.

I’ve brought a stack of CDs for the occasion. For the first disc, I choose Metallica’s Metallica—the Black Album. Dense, heavy playing. One of my favorites at the time.

Heavy metal on a tube amp. A guilty thrill.

I slide the CD out of its case and load it into the player. Sit down next to my father. Press play.

CD player partnered with the OTL amplifier and 38 cm bass-reflex speakers (Photo 1-52)
The CD player that served as partner to the OTL amplifier and 38 cm bass-reflex speakers that day.

“Oh? Ohhh?”

A sound rises from deep in my father’s chest.

Bass so low it hits the floor of your stomach, filling the room.

“Well, well. This is really something.”

My father’s eyes go wide.

“Right?”

Borrowing my father’s own line.

“Oh? Oh!”

Every time the bass hits, my father raises his voice.

We played two or three more tracks. My father had never listened to heavy metal in his life, but he seemed to be enjoying it.

“You wouldn’t think this was a tube amp, though. This sound.”

It may be unfair to compare it with a solid-state amp, but the OTL exceeded my expectations in the best way. Even fast, hard-driving tracks—handled without breaking a sweat. And yet there was none of that V-shaped, all-boom-and-sizzle coloring.

“See? OTL. Good, right?”

“Yeah.”

The two of us, getting carried away, kept pushing the volume higher.

“Honestly, you two!”

Our mother shakes her head at us. We both keep our mouths shut.

“Mind if I dim the lights?”

“Mm.”

My father nods.

I flip the switch.

In the darkness, the orange of the heaters floats up. Their glow reflects sharply off the aluminum chassis.

I put on “St. Louis Blues.” The real test.

My father’s all-time favorite. Louis Armstrong. And mine, too.

“Nice… huh.”

“Mm.”

My father nods.

Tube amps and this kind of music—there is a reason it is considered a classic pairing.

We must have listened for close to two hours. I felt full.

“Thing is, the longer you listen, the hotter the room gets.”

With the air conditioning running I hadn’t noticed, but once he mentioned it, he was probably right.

Curious, I ran the numbers later. Total heat dissipation: roughly 312 watts. You could almost call it a small space heater.

Ondekoza

My father was an OTL man through and through, but in later years he built two transformer-coupled amplifiers as well.

Sometime in the late 1990s, if I remember right, the Western Electric 300B—”the king of tubes”—was reissued.

It seems my father was moved by this. The solid-state amp that had been pinch-hitting was benched; a 300B amplifier took over as the new partner for the concrete horn.

The other was a 2A3. This one was assigned to the horn tweeter.

The Complete Guide to American Tube Amplifiers, 1988 — father's reference (Photo 1-43)
The Complete Guide to American Tube Amplifiers. A book my father likely referenced. Published 1988.

And with that, bass, midrange, and treble—all driven by vacuum tubes.

An “all-tube” multi-amp system, at last complete.

The cast was complete.

In the corner of the living room, a newcomer, too. A tall CD rack.

“Your mother and I have been going to concerts lately, you know.”

Sure enough, the library had grown considerably.

Among his recent favorites was Ondekoza.

“Ondekoza is something else. It’s just—unbelievable.”

Ondekoza is a group of ten to fifteen performers, their bodies honed like athletes, who play dozens of traditional Japanese drums—wadaiko—including bass drums over a meter in diameter.

“This one. Give it a listen.”

The Ondekoza sleeve is held out to me.

“Huh. Ondekoza… all right.”

I take the CD out and load it into the player.

A blow.

What—?

Blow. Blow.

No—not blows. A compression. Air pressing into the body, wave after wave.

There.

A long blow.

The room is shaking.

“Ha—! Hah!”

Voices ring out.

“Ta-ta-ta-ta-ta-ta…”

The sticks close in, relentless.

A wave. A wave of sound. And then, as if the tide has pulled back, stillness returns.

Tension and release.

Terror and pleasure.

I can’t quite put it into words—something like a roller coaster, and yet not. After it ended, I sat there for a while, unable to move.

Sensing that our little celebration was over, my mother came downstairs.

“Ever since, your father keeps bringing home more and more CDs.”

Behind my mother’s exasperated face, I could see my father—lost in it like a child again.

The Blast

This happened on a visit home over New Year’s.

“The other day, I was listening to Ondekoza, and there was this thunderous bang.”

“What?”

“One of the 6336s blew.”

“The noise was unreal. Thought my heart was going to stop.”

Could it be that some two hundred volts went straight into the speakers? The thought makes me shudder. Apparently my mother came running down from the second floor too.

“At first I had no idea what had happened.”

“Good thing your eardrums didn’t burst. And the speakers—were they all right?”

“Well, my ears rang for a while. But yeah, everything held up. Really gave me a scare, though.”

Saved by the ruggedness of the JBLs, perhaps. That only a fuse blew was a stroke of luck. And of course—so were my father’s ears, and his heart.

“After that, I took the whole thing apart and checked. The circuit was fine. Swapped in a spare tube, readjusted, and it played again, just like before.”

— The OTL amplifier is still at the family home, but it has been more than ten years since anyone last powered it on. Having heard this story, I am too afraid to flip the switch. There are still spare tubes. It is the amp my father left. I don’t want to break it. I want to restore it properly, and someday hear that sound again.

Father's OTL amplifier dormant for over ten years, stored in wooden case (Photo 1-50)
My father’s OTL amplifier. More than ten years since it was last powered on.

OTL After All

As for the two transformer-coupled tube amps—what became of them? He let them go, in the end.

A Pioneer MOS-FET amp settled quietly into their place.

“I figured going all-tube would be the way. But there was no edge to the sound—nothing special. Single-ended just can’t push the power.”

“Sold them through the classifieds in Musen to Jikken.

“OTL, after all. Nothing else comes close.”

He just let it drop, like that.

MJ Musen to Jikken magazine — tube amplifier builder's resource and marketplace (Photo 1-38)
MJ Musen to Jikken. The go-to resource for tube amplifier builders, and a marketplace for buying and selling equipment.

Musen to Jikken (now MJ Musen to Jikken)—a long-running Japanese audio engineering magazine, first published in 1924. Known for its DIY tube and solid-state amplifier articles, it featured a reader-to-reader classifieds section for buying and selling equipment and components—a vital marketplace for builders in the era before online auctions.


1-7 Failures and Decisions — A Technical Note

Oscilloscope. OTL. Multi-amp.

A father who loved vacuum tubes, and who had walked with vacuum tubes his whole life. But not everything had gone smoothly.

In his later years, I once asked him about it, casually. Over slices of raw octopus, as was our custom, a drink in hand.

“Did you ever build a tube phono stage?”

“Hm? Oh, yeah. Back before you were born. But the noise was terrible. Total failure.”

So he had. Long before I ever thought to ask.

“I see…”

I left it at that.

But something had been nagging at me.

“Constant-voltage power supply”—his exact words.

One of my father’s stock phrases—he came back to it again and again.

Back then, I’d only been hearing it like an incantation, repeated without understanding. But looking back now, this notion of “constant-voltage power supply” may have been the most essential thread in my father’s entire design philosophy. Or perhaps it goes even further—the power supply itself, as a whole, may have been what mattered most.

Let me add some technical context, as I understand it today.

The Battle with Noise

Vacuum tube circuits are prone to picking up noise. Broadly speaking, there are three culprits.

(1) Inductive noise (magnetic and electrostatic coupling). Vacuum tubes are physically large, and their high operating voltages demand equally large components. The result: long wiring runs. Long wiring acts like an antenna. The entire circuit becomes a magnet for noise. High impedance makes things worse—even the faintest interference gets picked up.

Component size comparison between vacuum tube era and transistor era parts (Photo 1-30)
Component size comparison: vacuum tube circuits (left) versus transistor circuits (right). From top: electrolytic capacitors 100 µF (450 V / 250 V vs 50 V / 16 V), oil/film capacitors 0.1 µF & 0.001 µF (630 V vs 50 V), resistors 100 Ω (5 W / 3 W / 1 W vs 1/2 W / 1/4 W / 1/8 W).

(2) Microphonics. Inside a vacuum tube, delicate electrode structures are sealed in glass. They don’t take kindly to vibration. And given their size, vibration can’t be ignored. When the electrodes are disturbed, the disturbance becomes noise. Tap a tube with your fingertip, and you’ll hear a ping come through the speakers. The signal from a record stylus is extremely faint. Use tubes in a phono stage, and before long, you can’t tell whether you’re hearing the groove or the electrodes.

(3) Hum. This one is the worst. A low, persistent hum that clings to the sound whether or not music is playing, for as long as the power is on. The source is the power supply itself.

The Wall Called “Power Supply”

“Power supply” means, quite literally, the source of the force that drives a loudspeaker. If there’s a problem here, the sound will show it.

So why does the power supply become a problem?

What arrives at the wall outlet is alternating current. Converting it to direct current is straightforward in principle, but the process is never perfect. Some trace of the AC always remains. That is what produces hum.

Broadly speaking, there are two.

(1) Heater-induced hum (filament in directly heated tubes). Vacuum tubes need heat to operate. AC heating is simple, but any fluctuation that leaks into the signal becomes noise. And heaters draw considerable current. Looked at another way, the heaters and their wiring are, themselves, powerful potential noise sources.

“Heaters have to be DC.”

He was right. But heaters are current-hungry. Running them on DC means adding a substantial smoothing circuit—more space, more cost.

Of course, there are ways to suppress hum even with AC—twisting the wiring, balancing the circuit. But my father’s approach was to cut it off at the source.

(2) Hum originating from the B+ supply. This is the more stubborn of the two.

The B+ supply. The high-voltage DC that the tubes themselves need in order to operate. Think of it as the canvas on which the music is painted. If the canvas is rippling, no one can paint a steady picture.

Converting AC to DC. This seemingly simple process harbors a stubborn problem.

The conversion is handled by a rectifier circuit—a one-way street, in effect. It slices off the negative half of the sine wave—or folds it over to the positive side. What remains is a series of positive peaks, rising and falling in a choppy procession—pulsating DC.

Pulsating DC waveform after full-wave rectification (Photo 1-60)
The pulsating DC after full-wave rectification — a series of peaks on the positive side. This pulsation is the true source of hum in the B-supply.

It works, after a fashion. But in practice, the amplifier is being shaken in time with every pulse of that ragged waveform. Like trying to paint on a choppy sea. Clean audio amplification is out of the question.

Enter the capacitor. Each time pulsating DC flows in, the capacitor stores the charge—like a dam or reservoir. When the flow drops off, it releases its reserves. The pulsating DC is smoothed out, shaped into something closer to true DC. Naturally, the larger the reservoir, the better. More capacity means a closer approximation to genuine direct current.

To push the smoothing further, a choke coil may be added. If the capacitor is a dam, the choke is a weir. It doesn’t block the flow; it moderates it, resisting sudden changes and calming the current. The pulsating DC is smoothed still further, edging closer to true direct current.

TANGO choke coil for power supply smoothing (Photo 1-33)
A TANGO choke coil.

But there’s a catch. The B+ supply runs at high voltage. Capacitors rated for high voltage are large to begin with. Increase their capacity, and they grow larger still. Earlier, I mentioned that running heaters on DC requires “a substantial smoothing circuit.” The same applies here. Choke coils, too: handling large currents demands thick windings, and they are, in the end, lumps of metal. Heavy. Bulky. Expensive.

Electrolytic capacitor size comparison from 100 uF to 10,000 uF at various voltage ratings (Photo 1-32)
Electrolytic capacitor size comparison. From left: 100 µF (top to bottom: 450 V / 250 V / 100 V), 100 µF (50 V / 25 V / 16 V), 1,000 µF (50 V / 25 V / 16 V), 10,000 µF (16 V). The higher the capacitance and voltage rating, the larger the component. The largest here measures roughly 2 cm in diameter. My father’s OTL amplifier used a massive 350 V / 10,000 µF unit approximately 10 cm across.

The pursuit of “true DC” has no natural stopping point. And no matter how far you push, you never quite get there.

What remains—the residual ripple that the smoothing could not fully tame—gets amplified and drives the speakers. This is the true identity of that low, persistent hum I mentioned at the start. The pulsation of the power supply, turned directly into sound.

Strictly speaking, even a DC heater supply is not entirely free from ripple.

The Answer: A Regulated Power Supply

My father had built an oscilloscope as a student. In test instruments, accuracy hinges on the quality of the power supply. He must have known this well, long before hum ever became an issue.

The same goes for audio. And he’d already had his share of failures.

He must have wrestled with hum many times over—agonizing, thinking, confronting his circuits again and again.

Even with brute-force capacitance, ripple never goes to zero. And so he came to believe that the answer lay in suppressing it through active means, through design.

The answer was a constant-voltage power supply.

Stabilized Power Supply Circuits in Practice, covering both tube and transistor designs, 1977 (Photo 1-19)
A textbook on stabilized power supply design.

Detect the ripple. Cancel it out. Actively correct the supply voltage so that it holds steady. What we now call a regulated power supply.

The catch: it requires an additional electronic control circuit—tubes or transistors, or both. Sound in principle, but the parts multiply and the design grows complex.

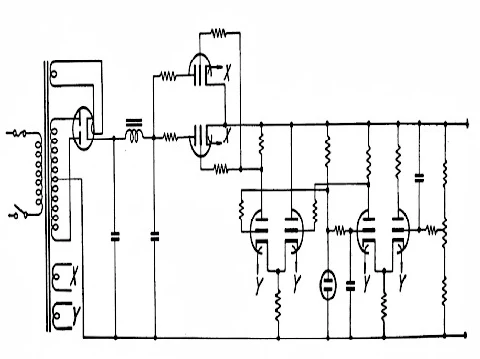
1960s vacuum-tube series-regulated power supply using 6080 as pass tube, reconstructed by author (Photo 1-36)
A typical 1960s vacuum-tube series-regulated power supply using the 6080 as the pass tube — reconstructed by the author.

Even so, my father had wanted to take that path.

It wasn’t unrelated to another challenge that OTL amplifiers carry.

The Realm of Full Direct Coupling

OTL covers many topologies, but in the SEPP configuration my father built, half the supply voltage appears at the output terminal. Connect a speaker without protection, and that DC voltage hits it head-on. The speaker burns out.

The usual solution: block the DC with a capacitor.

But interposing a capacitor sacrifices bass response. That isn’t all. Speaker impedance is low, demanding a large-value capacitor.

The only practical option is an electrolytic capacitor. And yet, for all its capacity, the electrolytic is riddled with shortcomings—leakage current, distortion, gradual degradation. Hardly an ideal component. Removing the output transformer only to compromise the signal path with an electrolytic defeats the purpose.

So my father chose a path that eliminated the capacitor entirely. By building two symmetrical power supplies—one positive, one negative—the output terminal can be held at zero volts. No output transformer. No output capacitor. What my father called “full direct coupling.”

The price: if the midpoint potential drifts from zero, direct current flows straight into the speaker. Rigorous monitoring is essential. Otherwise, the kind of explosive incident my father once experienced becomes a real possibility.

That was why he checked the meters every time he powered the system on—verifying positive and negative supply voltages, carefully adjusting the bias.

A constant-voltage power supply might ease that burden somewhat. With the symmetry of positive and negative voltages guaranteed, keeping the midpoint potential at zero becomes more manageable.

Father’s Choice — An Unregulated Power Supply

And yet, the power supply my father actually built was unregulated.

There was, of course, a reason.

The output tube he ultimately chose for the OTL amplifier was the 6336—a beefed-up evolution of the 6080, with oversized plates capable of delivering far greater power.

CETRON 6336B vacuum tube, the OTL amplifier's output tube (Photo 1-47)
CETRON 6336B. The output tube my father chose for his OTL amplifier.

Its defining characteristic: very low plate resistance. It can handle large currents. That is precisely what makes it suited to OTL amplifiers, which must drive the heavy load of a loudspeaker directly.

But low plate resistance is a double-edged sword. Fluctuations in the supply voltage translate readily into shifts in the operating point. In an OTL running at high current, the effect is not something you can ignore.

That is why, in his younger years, my father had wanted to regulate the power supply for his power amplifier.

But there was a dilemma: the power supply itself would become enormous. The same trap as the multi-amp system. Chase the ideal, and the equipment grows without limit.

In fact, what my father meant by “constant-voltage power supply” was, structurally speaking, a power amplifier in its own right. In operating principle and in circuit topology, it amounts to the same thing.

Regulating the power supply of an OTL amplifier is tantamount to building another amplifier of comparable scale. And with positive and negative rails both requiring regulation, you’re looking at three amplifier-sized units in total. As a practical plan, it defied reason.

So my father made his decision: an unregulated power supply, brute-forced with sheer capacity.

This eliminated the need for any regulation circuitry. The result: a power supply that was large in scale yet utterly simple in structure.

And so my father’s OTL amplifier took the form of a two-unit system—amplifier and unregulated power supply, side by side.

Industrial-grade electrolytic capacitors, heavy and secured with metal bands (Photo 1-17)
Industrial-grade electrolytic capacitors. 350 V / 10,000 µF. 450 V / 4,100 µF.

A testament to sheer scale. 350 V / 10,000 µF. 450 V / 4,100 µF. Industrial-grade electrolytic capacitors.

Monstrous specifications. The kind of components you wouldn’t find in an ordinary parts shop.

Capacitance on a scale unthinkable in Takesue’s day—an order of magnitude or more beyond what textbooks of that era prescribed. With reservoirs this vast, even without regulation, the capacitors act as an enormous dam, absorbing the voltage ripple. Ripple shrinks. That low, persistent hum has nowhere to hide.

And when Metallica or Ondekoza demanded deep bass—when the tubes were straining to drive the speakers hard—a dam that size could unleash its stored energy in one surge. With reserves to spare, the water level—the voltage—holds steady. The amplifier doesn’t give way.

The Craft of Implementation

Circuit design alone doesn’t solve everything, of course.

My father paid just as much attention to how the equipment was built as to the circuits themselves.

Wire routing. Grounding strategy. The distance between transformers and signal circuits. Chassis rigidity.

None of these appear on a schematic, but every one of them has a direct effect on noise and hum.

Inside the OTL amplifier showing wire routing and component layout (Photo 1-18)
Inside the OTL amplifier. Wire routing and component layout.

Twisting wires together. Arranging components so that signal paths stay short. Standing up shield plates.

I’d watched him do these things for as long as I could remember.

He seems to have built up his own style, layer by layer, through years of reasoning and hands-on experience. That’s the feeling I get.

An All-Tube Multi-Amp

The summit my father reached: an all-tube multi-amp system. And yet, he deliberately chose not to make it all-OTL.

For the mid and high frequencies, where the demands of deep bass reproduction don’t apply, OTL was unnecessary. He made that call cleanly. Or perhaps—perhaps he simply wanted to see the so-called “king” of output triodes, the 300B, performing alongside the 2A3, often regarded as its “queen.”

“Picked up a fine transformer. How’s that?”

—Before he was “an OTL man,” he was a vacuum-tube man.

Those two transformer-coupled amplifiers—I have to say, they had a beauty to them, almost like fine craft. A chassis finished in champagne gold and matte black. Transformers standing in rows like high-rises. Glass envelopes tracing elegant curves. The glow of the filaments lending an air at once ethereal and solemn. The very picture of a tube amplifier.

There was something almost alive about them—almost like instruments.

And yet he let them go without a second thought. That clean detachment was so typical of him.

Over Slices of Octopus

“When it comes down to it, what determines ‘sound’?”

In later years, we often found ourselves debating this.

A regulated supply might banish hum, but if the underlying power source isn’t solid, deep bass reproduction doesn’t stand a chance. Removing the output transformer alone isn’t enough. Nor is removing the output capacitor. Nor is bringing in a heavy-duty output tube. Nor is piling on more smoothing capacitors and chokes. Even the diodes and the power transformer need headroom—don’t they?

When a deep thud arrives, the amplifier has to reproduce it in full and drive it cleanly into the speaker. The speaker itself has to move, and move the air. The enclosure has to support the speaker firmly. From input to output, everything has to work together. Perhaps that’s what it comes down to.

“And yet, no matter how far we go, put on Ondekoza and the whole room still trembles. Well… what can you do.”

Over slices of octopus, a little flushed from drink, we would sit and talk about things like that.


1-8 A Maker’s Back

My father was drawn to anything new.

A Fostex edgeless woofer. A Sharp pocket computer. A Sony CD Walkman. A Pioneer LaserDisc player…

Whenever something novel came along, he was on it.

Come to think of it, the squawker that partnered with the back-loaded horn was also a Pioneer.

Housed in a round aluminum cylinder, finished entirely in matte black, with a soft matte silver center cap—it left an impression on me even as a child. Until then, I had assumed speakers were made of paper and wood.

—”It’s round.”

—”That’s the latest squawker. Pioneer makes interesting things.”

“Pioneer”—I believe he also explained what the word meant, that day.

Looking back, the CD player we used for Ondekoza was a Pioneer too. So was the turntable he picked up at a flea market in his later years.

Did that make him a Pioneer loyalist? I don’t think it was that simple. What I think now is that it was the word itself that drew him—not Pioneer the brand, but pioneer the word.

And once you see it that way, even his choice of cassette tapes starts to look like it came from the same root.

“Hey. Take a look at this. The body’s made of metal. Impressive, right?”

“What is this? Whoa—it’s heavy!”

“See? It’s a metal tape. The sound is something else.”

“Huh.”

TDK’s MA-R. A skeleton body with the aluminum die-cast frame on full display. The flagship of the metal-position lineup. A product from around 1980. Back then, cassette tapes came in black plastic shells, the tape itself barely visible through a tiny window in the center. That was the norm. A bold design, to say the least. Naturally, as a primary-school kid, I was convinced it was called a “metal tape” because the case was made of metal. It made perfect sense to me.

After that, every time some talked-about new product appeared, he brought one home. Technics’ “Angstrom”—a tape pushed to the limits of smoothness through vapor deposition technology. Sony’s “UX/Metal Master”—an all-ceramic, pure white body engineered to suppress every last vibration. More than just liking new things—perhaps he simply couldn’t resist anything with an edge.

SONY Metal Master cassette tape, a birthday gift from father (Photo 1-34)
A Metal Master my father bought me for my birthday. Too precious to use lightly—I agonized over what to record on it.

Naturally, a man like that adapted quickly to new technology.

From early in his career he had worked with mainframe computers, and he would often talk about Fortran this and Fortran that. He had a PC-9801 at home early on—back when it was still an expensive business machine, utterly foreign to ordinary households.

He was a vacuum-tube man, yes—but he never once dismissed transistors. Of course, there were times he spoke with heat about what only vacuum tubes could do. But even then, it was always grounded in specifications and data.

Come to think of it, this must have been when I was in junior high. I was rummaging through my father’s parts box, looking for resistors I was short on. And there—a pile of 2SC1815s. A transistor that was still cutting-edge at the time. I was surprised. Why would my father have these?

But the longer I stared into that box, the more it clicked. He must have been planning to run the heaters on his next synchroscope off a semiconductor-regulated power supply.

I quietly helped myself to one 2SC1815 along with the resistors, and closed the lid. That happened, too.

2SC1815 transistor, manufactured 1984 — Japan's most famous transistor, from father's parts box (Photo 1-49)
2SC1815. The most famous transistor in Japan. Manufactured in 1984. The very one I helped myself to from my father’s parts box.

There was another side to him—and he knew it himself. A competitive streak.

In his younger days, my father was a committed heavy smoker. Three packs a day. The room always thick with smoke. I was regularly sent on errands to buy them.

Then one day, just like that, he quit cold.

Years later, it occurred to me to ask why.

“You used to go through pack after pack. How on earth did you just stop?”

“Someone at work said to me, ‘You? You’re the type who could never quit smoking.’”

“Okay. And?”

“That did it. I snapped. ‘Fine. Watch me. I’ll quit right now.’ And I grabbed every last pack and hurled them into the trash.”

“You quit over that? Still—the fact that you actually pulled it off is something.”

Something must have really got under his skin. Hard to say exactly what the trigger was, but…

My mother put it this way: moving into an industry completely outside his background only sharpened that competitive edge.

“He really did study. I used to watch him and think, well… isn’t that something.”

Weekends, holidays—it didn’t matter. Textbooks full of equations spread across the desk, his brow furrowed as he filled notebook after notebook with formulas. I can still see him like that.

Oscilloscopes. OTL. Multi-amp. And regulated power supplies.

My father’s bookshelves were full of volumes on these subjects. Nearly every one of them had notes scribbled in the margins. I think he was, by nature, someone who never stopped learning.

Or maybe “learning” doesn’t capture it—more like a man made entirely of curiosity. He would start from theory, but in the end, he always had to confirm things with his own hands.

Or maybe not even curiosity—maybe it was a single-minded insistence on getting things right. If something good existed, he bought it. If it wasn’t for sale, he built it himself.

Speakers—handmade. Fishing tackle—handmade. Furniture, shelving—handmade. And the guitar stand, too.

Father's handmade bamboo craft (Photo 1-14)
Handmade by my father. Bamboo work.

And then—of all things—he built his own camera.

Father's camera collection — Tachihara large-format, modified Mamiya C twin-lens, and a handbuilt camera with Schneider-Kreuznach lens (Photo 1-15)
From my father’s camera collection. Left to right: a large-format camera (Tachihara), a twin-lens reflex (modified Mamiya C), and my father’s own build. A wooden body housing a Schneider-Kreuznach Super Angulon 47mm lens, fitted with a Horseman roll-film holder.

A few of his photographs remain, framed.

Fringed orchid (Habenaria radiata) photographed by father — a study in light (Photo 1-16)
A fringed orchid (Habenaria radiata), photographed by my father. A study in light—one of his works.

A book of photographs by Ken Domon still sits on the shelf, alongside the sheet music and technical manuals.

Ken Domon (1909–1990), a leading figure in Japanese documentary photography, known for his unflinching realism and his portraits of Buddhist sculpture.

A man who built everything himself—it would have been easy to see him as just a DIY enthusiast. But I don’t think that was what drove him. What my father was looking at lay beyond the making. It was “sound.” It was “light.” It was the very shape and presence of whatever stood before him. Or even the “taste” of what he had caught.

My father.

Perhaps he was a man who simply would not stop until he was satisfied. Watching his back, I grew up.

End of Chapter 1

Who I Am — A Memoir

Chapter 1: My Father

Father's listening room in his later years with handmade speakers (Photo 1-00)
My father’s listening room in his later years. On either side, speakers he built himself. His third pair.

1-1 My Father

Why did I end up collecting 2,700 types—300,000 pieces—of transistors? To tell that story, I have to start with my father.

My father was a man of many interests.

Cameras. Fishing. Classical guitar. And audio.

No—more than many interests. My father didn’t just have hobbies—my father was DIY. A man who simply had to do everything with his own hands.

Photography started in his student days, beginning with a Nikon F. In his later years he became absorbed in twin-lens reflex cameras. He would buy retro cameras, junk cameras, tear them apart for components, and build his own.

When he was young, he often went night fishing with coworkers. I was regularly dragged along to fish off the breakwater.

The breakwater, with concrete wave-breaker blocks stacked layer upon layer, was treacherous footing. No matter how many times I went, it never stopped making me nervous. My father, though—sure-footed, almost skipping across. I traced his steps, terrified, inching closer and closer to the water’s edge.

“Right. This is our spot today.”

I did as told, rigged the line. Two rods, side by side.

On one such day, my father landed an ishidai—a striped beakfish. Close to sixty centimeters, it must have been.

Holding my breath, watching him fight the fish. Ten minutes—no, probably more than twenty.

“There we go.”

The sheer size of it. I was simply overwhelmed.

“Hey—caught an ishidai. Ishidai! You know how good these are? Top-grade stuff.”

Before I knew it, the sun had nearly set. We packed up in a hurry, hands on the seawall railing, back to the bicycles.

A cooler box, strapped tight to the rear rack.

Pedaling after it. A little faster than usual.

The moment we got home, my father said:

“Get me the sumi ink and the hanshi.”

My mother set them out. The ishidai—already cleaned, by the look of it—and my father began brushing ink across its body.

What was going to happen?

Down on hands and knees, peering in.

When the ink was done, he gently laid a sheet of hanshi over the fish and pressed the shape. A gyotaku—a fish print.

I remember clearly—he even painted in the stripes by hand.

Once the ritual was over, a large platter appeared, covered with sliced sashimi.

“How’s that? Good, right?”

Translucent, paper-thin slices—usuzukuri. The whole family ate until we could eat no more.

My father rarely stood in the kitchen. But when it came to filleting a fish, his hands were sure. At times like these, he looked pleased.

Unfortunately, the striped gyotaku survives only in memory now. One print does remain, though—close in spirit to the original. A kurodai (black sea bream) gyotaku, from a time when my father had taken up boat fishing.

Gyotaku fish print of a 56 cm kurodai caught by father, January 1988 (Photo 1-02)
Gyotaku of a 56 cm kurodai (black sea bream) caught by my father. January 16, Shōwa 63 (1988). For years it hung, framed, in our entryway.

On weekends when he didn’t go fishing, he would play the guitar. He had learned from a friend in college, he said. He often played “Jeux interdits”—the piece known in English as “Romance”—for us.

Weekend house with music, handmade bamboo guitar stand (Photo 1-03)
There was always music in our weekend house. The bamboo guitar stand was his handiwork too.

He owned stacks of sheet music. Even when the covers fell apart and the pages went ragged, he would rebind them with cardboard. A father who mends what he uses. One book had a drawing of the guitar he had kept at his side for years.

Father's guitar solo collection with hand-drawn cover, depicting his YAMAHA GC-5C (Photo 1-04)
A guitar solo collection my father treasured. The cover drawing depicts his YAMAHA GC-5C. When the cover came off, he made a new one by hand.
Mood music, bossa nova, kayokyoku records — music always filled the weekend house (Photo 1-05)
Mood music, bossa nova, kayōkyoku, old favorites. There was always music in our weekend house.

Looking through the sheet music he left behind, I feel as though I’m glimpsing my father in a time I never knew.

He must have had some good years. Probably.

In his later years, he would head out in the morning, rod over his shoulder, fitted with one of his homemade lures—off to catch octopus.

By midday he’d be at a flea market, browsing for finds at his own pace. Some days he came home with a guitar or a piece of audio equipment.

But when the octopus were biting, that was different. He would cut things short and head straight home.

One knife. Quick, clean slices—sashimi. Wasabi, soy sauce, and a beer.

“How’s that? Good, right?”

That little note of swagger—pure Kansai. Same as ever.

“Yeah. Doesn’t get any fresher.”

The two of us picking at the sashimi, as we talked. Sooner or later, the talk would drift to audio.

Most weekends went something like that.


1-2 A Man Who Built Things

When my father set out to build something, there was a tenacity to it.

Take his speakers. The second pair he built—right when his audio DIY was at its peak—shows just how far that tenacity went.

For the woofer, he chose the largest driver our house could possibly accommodate. He assembled the cabinet from wooden panels, then clad the entire thing in another layer of boards and poured cement into the gaps. A three-layer enclosure, built solid.

Father's second speaker build, bass-reflex with JBL 2226J woofer and horn midrange (Photo 1-01)
My father’s second speaker build—a bass-reflex design. Shown here in its later years, with an upgraded grille. A JBL 2226J woofer handled the low end; a horn unit covered the midrange. He valued the thickness and rigidity of the voice coils.

For the midrange, he used a horn unit for the first time. And even then, the manufacturer’s stock plastic horn wasn’t good enough—he encased it in cement too.

JBL 2380A horn with 2446J driver, exterior hardened with cement to eliminate resonance (Photo 1-40)
A JBL 2380A horn with 2446J driver, the exterior hardened with cement. The conviction of “no resonance” made visible.

“Oh, I went all out. Took a hell of a lot of work, too.”

Solid. Heavy. No resonance. No rattle. That was how he thought about it. The result was a pair of speakers so heavy you could barely move them.

My father had always been particular about what speaker cabinets were made of.

One day, when I was still in elementary school, my father had finally gotten himself a proper component stereo system and was getting ready to go shopping for speakers. All morning, preparations.

“Hey—we’re going out.”

I got to tag along.

It was a proper audio shop, I’ll give it that. Speakers of every shape and size, lined up one after another.

Compact ones you could put anywhere. Tall, slim ones that would fit into a narrow gap. And then the massive ones—where would you even put something like that?

I turned around. There was my father, knocking on a speaker cabinet.

“What are you doing?”

I asked, and he told me this:

“This? I’m checking how it sounds. Listen—this one here, when you tap it, hear that? A tight, solid sound. A cabinet like that doesn’t let sound leak out.”

“Oh, really?”

“See, a speaker puts out sound from the front and the back at the same time. If the sound from the back wraps around, it cancels out the front. Weakens it.”

“Uh-huh.”

“And the lower the frequency, the worse it gets. That’s why you put it in a box. Harder the wood, the better. Doesn’t let the sound through.”

“Oh.”

Knock, knock.

Knock, knock.

Pleased as punch, I went around rapping on every speaker cabinet in the shop. Never mind that I had no idea what I was listening for.

Knock, knock. “How about this one?”

“That’s it. That’s the good stuff.”

I must have had the proudest look on my face.

After that, my father went on talking—about infinite baffles and all sorts of other things.

But that day, he didn’t buy a thing. We went straight home.

Whether nothing had caught his eye, or whether it had been a scouting mission all along—I’ll never know. In the end, it seems he decided to build his own.

A back-loaded horn. My father’s first speaker build.

Father's first back-loaded horn speaker with FOSTEX SLE20W edgeless woofer (Photo 1-23)
My father’s first build: a back-loaded horn. The woofer is an edgeless FOSTEX SLE20W (20 cm)—a flagship release from Fostex during the golden age of audio. My sister and I once stuck our heads into the horn opening and yelled into it.

I remember clearly—he took about three days off work and built it in one go. The balcony was piled high with cut lumber, no room to set foot. What little work space remained was buried in scraps and shavings.

“Hey—give me a hand.”

He said that, but there was barely room to stand.

Normally, my father could grab a saw or a plane and start building without so much as a drawing. But when it came to speakers, something changed.

The moment dinner was over, out came the notebook. I peeked inside—pages filled with complicated-looking equations. Every press of the calculator added another line. Then he’d scrub half of it out. The drawings, same thing. The desk was always covered in eraser dust.

“Hm? Oh. It’s harder than you’d think—getting the dimensions right.”

Cross-section design drawing of back-loaded horn sketched on the speaker's rear panel (Photo 1-24)
Cross-section drawing of the first back-loaded horn, sketched directly onto the speaker’s rear panel. “fc ≒ 27 c/s” is written in. Dimensions noted in red at various points.

A back-loaded horn is a complex structure. Once my father started building, he could finish in no time. But the design, I think, took considerably longer.

Maybe that was a glimpse of his day job showing through. He designed bridges and tunnels for a living.

Incidentally, it was my uncle on my mother’s side who had introduced my parents. According to my mother, this uncle, too, worked in engineering—the kind of man who built his own vacuum-tube television set. A builder drawn to a builder, as if by magnetism. Maybe that’s just how it was.


1-3 Still, a Man Who Builds

My father studied electrical engineering. While still a student, he built a vacuum-tube oscilloscope from scratch.

The book he used as reference at the time still survives.

Television Service Test Equipment by Fujimaki, 1962 — father's oscilloscope reference (Photo 1-07)
Television Service Test Equipment by Yasuji Fujimaki. The book my father used as reference for building his oscilloscope. 1962 edition.

After he married, my father kept the oscilloscope tucked away on a shelf for a long time. One day, he pulled it out and let me have a look.

In the upper left of the front panel sat a round screen, maybe ten centimeters across. A black cylindrical hood jutted out around it—impossible to miss. I peered in. A grid of fine lines, like graph paper. Back to the panel. Knobs and switches, lined up in rows. I had no idea where to even begin.

He turned it over and let me see inside.

Thick, tube-shaped enamel resistors in green. Gray carbon resistors. Yellow titanium capacitors. Oil capacitors in silver and black, and electrolytics.

The colors were all muted, but each piece was big. Each one had presence. A completely different scale from the parts inside a transistor radio.

“Well? Quite something, isn’t it?”

I was staring into the chassis, unable to look away. My father went on.

“Actually—this thing gave me a real scare once.”

“This was back when I was still a student.”

Resolved to build an oscilloscope from scratch, my father had thrown himself into the work. But it proved harder than he expected, and the days kept piling up. Finally, the day came for the last adjustments.

Father's working copy of the oscilloscope circuit diagrams, covered in handwritten annotations (Photo 1-08)
Father’s working copy of the oscilloscope circuit diagrams—read so often the pages fell apart. Covered in notes. Even the tape patching the torn edges has grown brittle with age.

Working on the tatami floor, nearsighted as he was, he had been leaning in closer and closer.

“Ah—”

He touched the transformer’s thousand-volt terminal.

“A thousand volts is a different matter. A hundred, two hundred—you can manage. But at a thousand, your hand locks on. You can’t just pull away. For a moment there, I couldn’t breathe. Really.”

Luckily, my grandmother happened to be right there. She rushed over and pulled him free, so it didn’t end badly—but his heart wouldn’t stop pounding, and he had to lie down for a good hour afterward.

My eyes went to the transformer. A black cube, larger than my palm. Sure enough—”1000V.” Three zeros in a row. I remember the goosebumps.

The aluminum chassis, too, had been fabricated from sheet metal, start to finish—or so I was told.

My grandfather had been a coppersmith by trade, and my father enlisted his help to finish the job. The hood over the cathode-ray tube, however, was my grandfather’s own work.

I had seen my grandfather at work, too, when I was small—shaping sheets of copper into rain gutters.

My father’s family ran a small udon shop. My grandmother managed the place and took catering orders from the neighborhood.

Through the shop curtain, a small dining area with an earthen floor. Slide open the frosted glass door, and right there was the living room. A charcoal brazier. To the right, a corridor and a small courtyard where koi swam. To the left, stairs leading to the second floor. And beyond, in the back, a six-mat room.

So even in the daytime, the living room was dim. My grandfather spent most of his days there. In the half-light, working a wooden mallet against a form, quietly stretching copper into shape. The memory is hazy now, but that is how I remember it.

The oscilloscope chassis, finished with my grandfather’s help. By the time I saw it, though, white corrosion had bloomed across the surface. It had been stored on a shelf near the bath—not the best place for it.

I can still picture that corroded chassis clearly. I must have been staring hard at the rust. It may have been the first time I ever became aware of something like the passage of time.

The Synchroscope Dream

The oscilloscope no longer worked. My father, who had already set his sights on building a synchroscope in its place, went on.

“A synchroscope—now that’s the real thing. You can freeze a waveform dead still and just look at it.”

I had absolutely no idea what he was talking about. But my father kept bringing it up—synchro this, synchro that—at every opportunity. Synchro equals something amazing and useful. That was probably the full extent of my understanding. Or perhaps the word “synchro” had simply synchronized me—by force.

Early-1960s synchroscope advertisement from a worn technical book (Photo 1-37)
An early-1960s advertisement for the latest synchroscope. The pages are falling apart, but the atmosphere of the instruments my father dreamed of is all here.

The oscilloscopes of that era had primitive triggering.

Suppose an oscilloscope were a camera, trying to capture a jump rope in motion.

An old oscilloscope was like snapping the shutter at random, with no idea where the spinning rope was at any given moment. Because the timing was never locked, the rope became nothing but a blurred, overlapping mess—doubled, tripled, shaking in every direction. Sometimes it wouldn’t even form an image at all.

Using one took real skill. They were not easy instruments.

A synchroscope, on the other hand?

It waited for the exact moment the spinning rope touched the ground—then fired the shutter. Because the timing was locked, the rope became a perfectly still image.

That moment was the “trigger.” It synchronized the rope’s motion with the shutter. That is where the name synchroscope comes from.

Think of it as something like autofocus on a camera.

It is not hard to imagine how revolutionary that must have been.

Conversely, every modern oscilloscope is, in effect, a synchroscope. They were once considered entirely different instruments.

Toward a Synchroscope

My father began gathering parts for the synchroscope around the time I started junior high.

One weekend, rummaging through the garage for something, I came across a tin box packed with old electronic parts. One look and I knew—these had been pulled from the oscilloscope.

He had taken it apart, then.

My father was nearby, working on something. I asked him.

“You kept the oscilloscope parts?”

“Yeah. Just the ones that still looked usable.”

“Oh—it’s here too! That thing!”

Next to the tin box sat a lump of iron with a history. The thousand-volt transformer.

“That’s a good SANSUI. For transformers, SANSUI was the gold standard. You won’t find one of these anywhere anymore. A real treasure.”

Its jet-black body was almost a perfect cube, every side the same length—maybe twelve centimeters or so. No rust to speak of, no sign of wear. Across the top, rows of silver pin terminals lined up on either side. Between them sat an aluminum nameplate, bearing the distinctive logo: the kanji for “mountain” fused with the letter “S.” I found myself staring.

Eyes on the thousand-volt terminal, I murmured.

“That story, though—just hearing it gave me chills.”

My father’s hands paused for a moment.

“That was a real close call.”

After that, every time he traveled to Tokyo on business, my father would stop by Akihabara and pick up the kind of specialized parts he couldn’t find back home. Steadily, piece by piece.

A paper capacitor rated at fifteen hundred volts, for instance.

Porcelain-insulated terminals, imposing. About the size of a cigarette pack. Painted silver, with a solid, no-nonsense look about it.

Come to think of it, the old oscilloscope had had one too—its silver paint slightly worn.

Placed side by side, the old one was smaller, boxier—flat-sided where the new one had rounded edges. Not so much ruggedness as a different era showing through.

He had also gotten hold of a cathode-ray tube—the centerpiece.

New to him, at least. It showed signs of use. He must have found it secondhand.

And it was not the round type I had seen before. This one was rectangular. Bigger, too—or rather, longer. It was going to need a larger enclosure.

“Looks easier to read.”

“Nice, right? Thing is, I couldn’t find the specs for it.”

“So I called NEC, just on the off chance. Old model and all, but they actually looked it up for me. Even sent the documentation over. Here—look at this envelope.”

My father, spreading the drawings and specifications out on the table. Beaming.

“Now I can build that synchroscope.”

My father—who wouldn’t stop, not even after a thousand volts. He was a man who built.


1-4 The Vacuum Tube Man

Seen through his son’s eyes, my father was “the vacuum tube man.” Whenever he sat down to design a circuit, the Zen-Nihon Shinkūkan Manual was always within reach. His copy was apparently the expanded edition, covering major Western audio output tubes as well. Handy in size but several centimeters thick—a dictionary, practically.

All-Japan Vacuum Tube Manual with worn cover repaired with grey tape (Photo 1-06)
The Zen-Nihon Shinkūkan Manual (All-Japan Vacuum Tube Manual). A single volume containing drawings, specifications, and characteristic curves for major tube types. The worn clear book cover has been mended with grey tape.

At the Tube Shop

Vacuum tubes—essential for building a synchroscope. My father had been steadily acquiring those, too.

He had a regular tube shop he frequented.

A weathered sign. A faded awning.

Step inside the dim interior, and there they were—vacuum tubes beyond count. Every wall, floor to ceiling, packed solid with boxes.

Name a part number, and the shopkeeper would set off toward the right box, shuffling sideways through the narrow gaps.

He must have had every location memorized.

A quick reach, a firm tug—out it came.

How he managed without bringing the whole stack down was beyond me.

Toshiba, National, NEC… boxes from names I knew. Boxes from names I didn’t. A mix. Most looked a little worn. Some had faded. But some looked crisp. Almost new. That seemed odd. I asked my father.

“Hey, are vacuum tubes still being made anywhere?”

“Yeah. Seems like they’re still making them over in Eastern Europe, the Soviet Union, places like that.”

“Huh.”

By then, vacuum tubes were no longer center stage. But production continued at a handful of manufacturers, and brand-new current-production tubes could still be had.

“The ones in plain white boxes—unbranded stock—those are cheap. Toshiba’s are the good ones. Now, Telefunken…”

I watched my father’s back as he went on appraising, nodding along. I had no idea, back then, that one day I would be the one doing the insisting.

Feeling nostalgic, I pulled out the boxes of tubes my father left behind. The lineup is diverse.

Vacuum tubes for synchroscope project — NEC, Toshiba, RCA, GE, Siemens, Telefunken, Cetron (Photo 1-09)
Vacuum tubes my father had been accumulating for his synchroscope project. NEC, Toshiba, Matsushita, RCA, GE, Siemens, Telefunken, Cetron, MAX…

Audio staples: 12AU7 (ECC82), 12AX7 (ECC83), 12BH7A.

Synchroscope types: 6AQ8, 6EJ7, the wideband 6DJ8, and the 1X2B for high-voltage rectification.

Oddities that glow like neon: the 5651 voltage reference tube, and voltage regulator tubes VR-105 and VR-150.

I turn to the larger tubes. There are several 6080s.

The Choice of 6080

A single 6AS7G found among Toshiba 6080s, in an RCA box labeled in father's handwriting (Photo 1-27)
Among the many Toshiba 6080s, a single 6AS7G had found its way in. It came in an RCA box. Written on it in my father’s hand: “6080.”

The 6080 is a dual triode developed for regulated power supplies, with low plate resistance and the ability to handle heavy current.

In those days, my father’s bookshelf was lined with titles on power supply regulation. Stabilizing the supply—that was practically his refrain.

He had built his own oscilloscope and learned firsthand how voltage fluctuations could throw off a measurement. For him, it was perhaps a natural choice.

Before I knew it, the assumption that power supplies are meant to be regulated had taken root.

What makes this interesting is that the 6080 also happens to be ideally suited for the OTL amplifier, which comes up later.

Instruments and audio. My father had both in mind when choosing his part numbers and manufacturers.

“Now, the 6080…”

The vacuum tube man—or rather, a man born into the age of the vacuum tube, who grew up alongside them, whose very youth was the vacuum tube itself. That, I think, may be closer to the truth.


1-5 An OTL Man

Back to audio.

Father was an OTL man—Output Transformer-Less.

As I mentioned, this was another reason he had been stockpiling those 6080s.

Committed to OTL

“This one here—I used to read this all the time. On OTL.”

Design and Construction of OTL Amplifiers by Kazuma Takesue, 1967 edition (Photo 1-10)
Design and Construction of OTL Amplifiers by Kazuma Takesue. The name closely associated with OTL amplifier design in Japan. 1967 edition.

Kazuma Takesue—a pioneering figure in OTL amplifier design in Japan.

“For amps, you can’t beat OTL.”

“OTL?”

“Without the transformer, the bass really comes through.”

“Mm-hmm.”

“And the damping factor is good.”

“Damping factor?”

“How well the amp grips the speaker. Kind of like horsepower.”

“Oh.”

Not many words. But his explanations were calm, steady. And yet, there was heat in them.

Hard to describe, but that was always how Father talked.

The Multi-Amp Ideal

“If you really want to push hi-fi to the limit, it’s got to be multi-amp. That’s where you end up.”

Father was also a multi-amp man. A multi-amp system—as the name suggests—is an audio setup built around multiple amplifiers.

Every speaker has a limited frequency range it can reproduce. The larger the cone, the easier it handles bass—but the harder it is to reproduce highs. And vice versa. In the world of hi-fi, it is standard practice to send the lows and highs to separate speakers. That means using a filter circuit to divide the frequency bands.

Two-way crossover network from father's third speaker build (Photo 1-42)
Separating lows from highs: from Father’s third speaker, a two-way design.

The question is how you split it.

Before the amplifier, or after?

With resistors, or with coils?

Normally, you split after the amplifier. One amp is enough. But at this stage, the signal is carrying real power—enough to drive a speaker—so resistors are out of the question. They would waste the amplifier’s energy as heat. So you use coils.

This output-side filter is commonly known as an LC crossover network, housed inside the speaker enclosure. A network of coils (L) and capacitors (C).

The trouble is the coils. At audio frequencies, you need large inductance values, which means physically large coils. To keep the size manageable, you wind them around a magnetic core. But core materials have a peculiar property—they briefly “remember” the signal passing through. This can alter the sound.

What about splitting at the input instead? Resistors can be used here, so the change in sound can be kept to a minimum. Some energy is lost, but the amplifier can make up for it.

The trade-off: once you split the signal, each band needs its own amplifier. The system grows complex.

“That’s multi-amp.”

Still, Father chose to split at the input.

“You get to connect straight to the speaker. That’s the thing.”

Wire it direct, and the amplifier’s damping reaches the driver with nothing in between. But a loudspeaker doesn’t just radiate sound—it picks up its own vibrations too, generating a voltage that pushes right back. A bronco, yanking at the reins.

The amplifier fights to hold those reins tight—to suppress that unwanted back-EMF. But when an LC crossover network is spliced into the line between amp and driver, it is as though the reins have gone slack. The rider pulls, but the force no longer reaches the horse.

“You need more amps, sure. But each one can be smaller.”

The bass amp handles bass. The treble amp handles treble. No single unit has to do everything. Less work, less power—each amp runs with headroom to spare, and can amplify more faithfully.

“Multi-amp, done in OTL. Doesn’t get better than that.”

Dedicated OTL amplifiers for bass and treble, driving the speakers with neither output transformer nor LC network in between. This was what Father called “true direct coupling.”

For him, this was the ideal.

The remaining problem: you need as many amplifiers as you have speaker drivers. A two-way system calls for two—one for bass, one for the upper range. Three-way means three. Some enthusiasts go beyond four.

An ideal system, but it takes time and money. Even for Father, more than ten years would pass before he got there.

Before the Dream Came True

A man who threw himself into both work and hobbies. And he must have had children to raise, too.

In the end, Father started his audio life with a single amplifier. A Denon turntable, a Sony system component, and a back-loaded horn he built himself. His first pursuit: deep bass.

Mouth of the back-loaded horn where bass emerges through a folded sound path (Photo 1-41)
The mouth of the back-loaded horn. Bass travels through a long, folded sound path before emerging here.

Having committed to splitting at the output, Father was particular about the LC network.

“Air-core coils.”

Coils wound without a magnetic core. Large and small. The larger ones must have been about ten centimeters across, and perhaps three centimeters in both height and width.

Layer upon layer of enameled wire, wound into a doughnut shape, then wrapped tight in red and blue vinyl tape to hold it all together.

“Big, isn’t it? Want to hold it?”

Father held out one of the doughnuts—the larger one, wrapped in red tape.

“Whoa, it’s heavy.”

“Right?”

Nothing but enameled wire—could a coil really be this heavy?

Even now, looking back, the craftsmanship was remarkable.

Father arranged them neatly atop an aluminum case—the kind that looked like a lunch box. Alongside oval yellow capacitors. The underside was closed off with a Bakelite plate. Black rubber feet.

Determined to get the best possible sound, Father had set his mind to winding air-core coils.

Unraveling. Tangling. Losing shape.

I can still picture him, wrestling with that enameled wire.

And so the lunch box with its doughnuts was placed atop the back-loaded horn, still smelling of fresh paint.

Father’s first audio system—complete. The sound in our home had just taken a serious step up.

DENON DP-40F quartz-locked direct-drive turntable (Photo 1-48)
The DENON DP-40F, still with us today. Quartz-locked direct drive. A choice that was pure Father.

Multi-amp, OTL, the oscilloscope—all still just dreams. But from that day on, the records and tapes kept growing. Soundtracks, classical—one after another.


1-6 My Father Starts Again

Around the time my father turned fifty. My sister and I had both found work by then, and he could finally breathe.

He finally had more time on his hands—for photography, for fishing. And for audio.

He began to move again—toward making the dream real. The vacuum tubes he had been stockpiling, it seemed, were finally about to see the light of day.

One thing, however, never came to be.

The synchroscope.

He had already gathered everything he needed—cathode-ray tube, vacuum tubes, high-voltage components, even the enclosure. But when an acquaintance offered him an oscilloscope, the wind shifted.

A 100 MHz storage oscilloscope. Analog, yet capable of digital waveform recording, cursor measurement, and frequency counting. Quite a machine.

“Not much point in building a tube synchroscope now… is there.”

My father murmured, looking over at the oscilloscope on his workbench.

Hitachi VC-6725 oscilloscope on father's workbench (Photo 1-35)
Hitachi VC-6725. On my father’s workbench.

OTL amplifiers. Multi-amp. My father changed course.

Going through the Takesue book my father left, I find certain passages heavily marked. Circuit diagrams traced over in red and blue ink.

OTL circuit page with red and blue pen markings on power and ground lines (Photo 1-11)
A well-marked OTL circuit page. Red and blue pen traces follow the power and ground lines. In time, this circuit would be reshaped by my father’s hands into an amplifier all his own.

In the end, though, my father chose not the 6080 but the 6336—a higher-rated tube, capable of delivering more current.

And he ran them in parallel. Taking Takesue’s single-tube design as his starting point, he must have reworked it into something with more muscle.

Supply voltage: ±280 V, 560 V in total. The design of a man once shocked by a thousand volts.

The OTL Amplifier

When I heard the OTL amp was finished, I headed home with an armful of CDs.

“Here it is.”

Father's OTL amplifier with CETRON JAN 6336B output tubes, four panel meters for monitoring (Photo 1-12)
The OTL amplifier my father built. It remains at the family home to this day. Output tubes: CETRON JAN 6336B, two per channel in parallel, four in total. Estimated output: 15–25 W. Four panel meters monitor supply voltage and bias for both channels.

“Oh. Nice.”

The words slip out.

“Oh—those capacitors. You actually used them?”

“Sure did. Best purchase we ever made.”

Massive capacitors my father and I had spotted at a junk shop, walking through the electronics district together one day. Nearly ten centimeters across. They sit there, heavy and still.

Rear of OTL amplifier with four 10,000 uF electrolytic capacitors (Photo 1-39)
Rear of the OTL amplifier. In addition to the power supply unit, four 10,000 µF electrolytic capacitors are mounted here.

How many years ago was that?

Rows of black and brown cylinders lined up on a steel shelf in the junk shop. Industrial-grade electrolytic capacitors.

I wave my father over.

—”Hey. Look at this. Something cool.”

—”Hmm?”

—”Wouldn’t these be perfect for an OTL? Ten thousand µF!”

—”Yeah. Three-fifty volts. Perfect. Let’s take them.”

“But cutting the holes for these—that took some doing.”

My father grins. The capacitors sit recessed into circular cutouts in the chassis—set flush with the choke coils, he says. Aesthetics first.

Knowing my father, he would have drilled dozens of small holes with a bit just a few millimeters wide, cut out the rough shape, then filed it smooth. Even for a hole nearly ten centimeters across.

“Huh? You separated the power supply?”

“Yeah. No way it was all going to fit in one chassis.”

Dedicated separate power supply unit paired with the OTL amplifier (Photo 1-13)
A dedicated power supply unit, built separately. Used as a pair with the OTL amplifier.

“How many electrolytics are in here? This is insane. And the transformer—huge!”

Custom-made, apparently. Sheer presence.

“Oh, it’s heavy all right. Nearly did my back in.”

My father laughs. I give it a lift.

“Whoa. Heavy.

Way more than ten kilograms. This thing.

I couldn’t help laughing.

My father had always been exacting about power supplies. For this amplifier, he put together a dedicated unit.

Even so, the scale of it. Driving vacuum tubes at high voltage and high current—so this is what that takes.

“The bass is covered.”

He’s not wrong. The capacitance packed in here dwarfs anything in the Takesue book. A vintage circuit, modern components. An order of magnitude apart.

“Hmm. Nice.”

My father’s amplifier—and yet I catch myself murmuring over it as though it were mine.

Connected to the OTL amp, a newly built bass-reflex speaker. Concrete-filled. The second pair.

Across the front, a wooden grille. Dozens of dowels, lined up top to bottom in neat rows. A faint smell of varnish still lingers.

“What’s the driver?”

He removed the grille for me.

“JBL.”

“Whoa. Went all in on that, huh.”

JBL 2226J 38 cm woofer matched to OTL amplifier's driving force (Photo 1-25)
The JBL 2226J (38 cm). A large-diameter woofer, matched to the OTL amplifier’s driving force.

“Hmm? How big is this thing?”

Something about the woofer’s size seems off.

It barely fits the width of the cabinet.

“Thirty-eight centimeters.”

“It’s practically hanging over the edge, though?”

“Wanted to get down to 30 hertz. Changed the design halfway through.”

My father, one hand resting on the speaker.

“Thirty hertz! That’s something.”

“Mm. I measured it. Hang on a sec.”

My father disappears upstairs. A moment later he comes back down, carrying something.

“What’s that?”

“A response checker.”

NIPPON AUDIO RC-1 response checker for room and speaker frequency measurement (Photo 1-26)
The response checker my father used (NIPPON AUDIO RC-1). Measures the combined frequency response of the room and speakers, plotting the results on thermal paper. A handwritten note reads: “2001.6.9 Adjustment.”

“This thing’s great. One button, runs the whole sweep automatically.”

“Here’s the latest.”

My father holds out the thermal paper.

“See? A bit bumpy, but it’s getting down there, right?”

I take the printout. The graph line is jagged, hard to read—but just as he says, it looks like it goes all the way down to 20 hertz.

“It really does.”

“Nice checker, though. You’ve got yourself another toy, huh?”

“Well, yeah. Oh—don’t tell your mother.”

The OTL and the 38-centimeter bass-reflex—a brand-new pair. What kind of sound would they make?

First Light

“Hang on a sec. There’s an order to this.”

“Got to warm up the heaters first.”

“I start the switches from this end.”

Talking half to himself, half to me, my father flips the first switch on the power supply unit.

“Need to check the 280-volt balance too.”

“The midpoint—is it stable?”

“Yeah. That’s why I put four meters on it.”

Two meters sit side by side on the front panel. One for the positive rail, one for the negative.

We lean in together to watch.

“Voltage looks good.”

Both meters read exactly 280 volts. I watch for a moment—no sign of drift, as far as I can tell.

A few minutes pass. The orange glow of the heaters deepens.

“Should be about ready.”

At last, the main amplifier switch is thrown.

“Setting the bias is the critical part.”

A pair of knobs on the side of the chassis. My father reaches for them and turns—slowly, slowly. His eyes are on the remaining two meters. The voltage climbs, fraction by fraction. At around 30 volts, he lifts his hands away.

“Want to play something?”

“Mm.”

It seems we’re ready.

I’ve brought a stack of CDs for the occasion. For the first disc, I choose Metallica’s Metallica—the Black Album. Dense, heavy playing. One of my favorites at the time.

Heavy metal on a tube amp. A guilty thrill.

I slide the CD out of its case and load it into the player. Sit down next to my father. Press play.

CD player partnered with the OTL amplifier and 38 cm bass-reflex speakers (Photo 1-52)
The CD player that served as partner to the OTL amplifier and 38 cm bass-reflex speakers that day.

“Oh? Ohhh?”

A sound rises from deep in my father’s chest.

Bass so low it hits the floor of your stomach, filling the room.

“Well, well. This is really something.”

My father’s eyes go wide.

“Right?”

Borrowing my father’s own line.

“Oh? Oh!”

Every time the bass hits, my father raises his voice.

We played two or three more tracks. My father had never listened to heavy metal in his life, but he seemed to be enjoying it.

“You wouldn’t think this was a tube amp, though. This sound.”

It may be unfair to compare it with a solid-state amp, but the OTL exceeded my expectations in the best way. Even fast, hard-driving tracks—handled without breaking a sweat. And yet there was none of that V-shaped, all-boom-and-sizzle coloring.

“See? OTL. Good, right?”

“Yeah.”

The two of us, getting carried away, kept pushing the volume higher.

“Honestly, you two!”

Our mother shakes her head at us. We both keep our mouths shut.

“Mind if I dim the lights?”

“Mm.”

My father nods.

I flip the switch.

In the darkness, the orange of the heaters floats up. Their glow reflects sharply off the aluminum chassis.

I put on “St. Louis Blues.” The real test.

My father’s all-time favorite. Louis Armstrong. And mine, too.

“Nice… huh.”

“Mm.”

My father nods.

Tube amps and this kind of music—there is a reason it is considered a classic pairing.

We must have listened for close to two hours. I felt full.

“Thing is, the longer you listen, the hotter the room gets.”

With the air conditioning running I hadn’t noticed, but once he mentioned it, he was probably right.

Curious, I ran the numbers later. Total heat dissipation: roughly 312 watts. You could almost call it a small space heater.

Ondekoza

My father was an OTL man through and through, but in later years he built two transformer-coupled amplifiers as well.

Sometime in the late 1990s, if I remember right, the Western Electric 300B—”the king of tubes”—was reissued.

It seems my father was moved by this. The solid-state amp that had been pinch-hitting was benched; a 300B amplifier took over as the new partner for the concrete horn.

The other was a 2A3. This one was assigned to the horn tweeter.

The Complete Guide to American Tube Amplifiers, 1988 — father's reference (Photo 1-43)
The Complete Guide to American Tube Amplifiers. A book my father likely referenced. Published 1988.

And with that, bass, midrange, and treble—all driven by vacuum tubes.

An “all-tube” multi-amp system, at last complete.

The cast was complete.

In the corner of the living room, a newcomer, too. A tall CD rack.

“Your mother and I have been going to concerts lately, you know.”

Sure enough, the library had grown considerably.

Among his recent favorites was Ondekoza.

“Ondekoza is something else. It’s just—unbelievable.”

Ondekoza is a group of ten to fifteen performers, their bodies honed like athletes, who play dozens of traditional Japanese drums—wadaiko—including bass drums over a meter in diameter.

“This one. Give it a listen.”

The Ondekoza sleeve is held out to me.

“Huh. Ondekoza… all right.”

I take the CD out and load it into the player.

A blow.

What—?

Blow. Blow.

No—not blows. A compression. Air pressing into the body, wave after wave.

There.

A long blow.

The room is shaking.

“Ha—! Hah!”

Voices ring out.

“Ta-ta-ta-ta-ta-ta…”

The sticks close in, relentless.

A wave. A wave of sound. And then, as if the tide has pulled back, stillness returns.

Tension and release.

Terror and pleasure.

I can’t quite put it into words—something like a roller coaster, and yet not. After it ended, I sat there for a while, unable to move.

Sensing that our little celebration was over, my mother came downstairs.

“Ever since, your father keeps bringing home more and more CDs.”

Behind my mother’s exasperated face, I could see my father—lost in it like a child again.

The Blast

This happened on a visit home over New Year’s.

“The other day, I was listening to Ondekoza, and there was this thunderous bang.”

“What?”

“One of the 6336s blew.”

“The noise was unreal. Thought my heart was going to stop.”

Could it be that some two hundred volts went straight into the speakers? The thought makes me shudder. Apparently my mother came running down from the second floor too.

“At first I had no idea what had happened.”

“Good thing your eardrums didn’t burst. And the speakers—were they all right?”

“Well, my ears rang for a while. But yeah, everything held up. Really gave me a scare, though.”

Saved by the ruggedness of the JBLs, perhaps. That only a fuse blew was a stroke of luck. And of course—so were my father’s ears, and his heart.

“After that, I took the whole thing apart and checked. The circuit was fine. Swapped in a spare tube, readjusted, and it played again, just like before.”

— The OTL amplifier is still at the family home, but it has been more than ten years since anyone last powered it on. Having heard this story, I am too afraid to flip the switch. There are still spare tubes. It is the amp my father left. I don’t want to break it. I want to restore it properly, and someday hear that sound again.

Father's OTL amplifier dormant for over ten years, stored in wooden case (Photo 1-50)
My father’s OTL amplifier. More than ten years since it was last powered on.

OTL After All

As for the two transformer-coupled tube amps—what became of them? He let them go, in the end.

A Pioneer MOS-FET amp settled quietly into their place.

“I figured going all-tube would be the way. But there was no edge to the sound—nothing special. Single-ended just can’t push the power.”

“Sold them through the classifieds in Musen to Jikken.

“OTL, after all. Nothing else comes close.”

He just let it drop, like that.

MJ Musen to Jikken magazine — tube amplifier builder's resource and marketplace (Photo 1-38)
MJ Musen to Jikken. The go-to resource for tube amplifier builders, and a marketplace for buying and selling equipment.

Musen to Jikken (now MJ Musen to Jikken)—a long-running Japanese audio engineering magazine, first published in 1924. Known for its DIY tube and solid-state amplifier articles, it featured a reader-to-reader classifieds section for buying and selling equipment and components—a vital marketplace for builders in the era before online auctions.


1-7 Failures and Decisions — A Technical Note

Oscilloscope. OTL. Multi-amp.

A father who loved vacuum tubes, and who had walked with vacuum tubes his whole life. But not everything had gone smoothly.

In his later years, I once asked him about it, casually. Over slices of raw octopus, as was our custom, a drink in hand.

“Did you ever build a tube phono stage?”

“Hm? Oh, yeah. Back before you were born. But the noise was terrible. Total failure.”

So he had. Long before I ever thought to ask.

“I see…”

I left it at that.

But something had been nagging at me.

“Constant-voltage power supply”—his exact words.

One of my father’s stock phrases—he came back to it again and again.

Back then, I’d only been hearing it like an incantation, repeated without understanding. But looking back now, this notion of “constant-voltage power supply” may have been the most essential thread in my father’s entire design philosophy. Or perhaps it goes even further—the power supply itself, as a whole, may have been what mattered most.

Let me add some technical context, as I understand it today.

The Battle with Noise

Vacuum tube circuits are prone to picking up noise. Broadly speaking, there are three culprits.

(1) Inductive noise (magnetic and electrostatic coupling). Vacuum tubes are physically large, and their high operating voltages demand equally large components. The result: long wiring runs. Long wiring acts like an antenna. The entire circuit becomes a magnet for noise. High impedance makes things worse—even the faintest interference gets picked up.

Component size comparison between vacuum tube era and transistor era parts (Photo 1-30)
Component size comparison: vacuum tube circuits (left) versus transistor circuits (right). From top: electrolytic capacitors 100 µF (450 V / 250 V vs 50 V / 16 V), oil/film capacitors 0.1 µF & 0.001 µF (630 V vs 50 V), resistors 100 Ω (5 W / 3 W / 1 W vs 1/2 W / 1/4 W / 1/8 W).

(2) Microphonics. Inside a vacuum tube, delicate electrode structures are sealed in glass. They don’t take kindly to vibration. And given their size, vibration can’t be ignored. When the electrodes are disturbed, the disturbance becomes noise. Tap a tube with your fingertip, and you’ll hear a ping come through the speakers. The signal from a record stylus is extremely faint. Use tubes in a phono stage, and before long, you can’t tell whether you’re hearing the groove or the electrodes.

(3) Hum. This one is the worst. A low, persistent hum that clings to the sound whether or not music is playing, for as long as the power is on. The source is the power supply itself.

The Wall Called “Power Supply”

“Power supply” means, quite literally, the source of the force that drives a loudspeaker. If there’s a problem here, the sound will show it.

So why does the power supply become a problem?

What arrives at the wall outlet is alternating current. Converting it to direct current is straightforward in principle, but the process is never perfect. Some trace of the AC always remains. That is what produces hum.

Broadly speaking, there are two.

(1) Heater-induced hum (filament in directly heated tubes). Vacuum tubes need heat to operate. AC heating is simple, but any fluctuation that leaks into the signal becomes noise. And heaters draw considerable current. Looked at another way, the heaters and their wiring are, themselves, powerful potential noise sources.

“Heaters have to be DC.”

He was right. But heaters are current-hungry. Running them on DC means adding a substantial smoothing circuit—more space, more cost.

Of course, there are ways to suppress hum even with AC—twisting the wiring, balancing the circuit. But my father’s approach was to cut it off at the source.

(2) Hum originating from the B+ supply. This is the more stubborn of the two.

The B+ supply. The high-voltage DC that the tubes themselves need in order to operate. Think of it as the canvas on which the music is painted. If the canvas is rippling, no one can paint a steady picture.

Converting AC to DC. This seemingly simple process harbors a stubborn problem.

The conversion is handled by a rectifier circuit—a one-way street, in effect. It slices off the negative half of the sine wave—or folds it over to the positive side. What remains is a series of positive peaks, rising and falling in a choppy procession—pulsating DC.

Pulsating DC waveform after full-wave rectification (Photo 1-60)
The pulsating DC after full-wave rectification — a series of peaks on the positive side. This pulsation is the true source of hum in the B-supply.

It works, after a fashion. But in practice, the amplifier is being shaken in time with every pulse of that ragged waveform. Like trying to paint on a choppy sea. Clean audio amplification is out of the question.

Enter the capacitor. Each time pulsating DC flows in, the capacitor stores the charge—like a dam or reservoir. When the flow drops off, it releases its reserves. The pulsating DC is smoothed out, shaped into something closer to true DC. Naturally, the larger the reservoir, the better. More capacity means a closer approximation to genuine direct current.

To push the smoothing further, a choke coil may be added. If the capacitor is a dam, the choke is a weir. It doesn’t block the flow; it moderates it, resisting sudden changes and calming the current. The pulsating DC is smoothed still further, edging closer to true direct current.

TANGO choke coil for power supply smoothing (Photo 1-33)
A TANGO choke coil.

But there’s a catch. The B+ supply runs at high voltage. Capacitors rated for high voltage are large to begin with. Increase their capacity, and they grow larger still. Earlier, I mentioned that running heaters on DC requires “a substantial smoothing circuit.” The same applies here. Choke coils, too: handling large currents demands thick windings, and they are, in the end, lumps of metal. Heavy. Bulky. Expensive.

Electrolytic capacitor size comparison from 100 uF to 10,000 uF at various voltage ratings (Photo 1-32)
Electrolytic capacitor size comparison. From left: 100 µF (top to bottom: 450 V / 250 V / 100 V), 100 µF (50 V / 25 V / 16 V), 1,000 µF (50 V / 25 V / 16 V), 10,000 µF (16 V). The higher the capacitance and voltage rating, the larger the component. The largest here measures roughly 2 cm in diameter. My father’s OTL amplifier used a massive 350 V / 10,000 µF unit approximately 10 cm across.

The pursuit of “true DC” has no natural stopping point. And no matter how far you push, you never quite get there.

What remains—the residual ripple that the smoothing could not fully tame—gets amplified and drives the speakers. This is the true identity of that low, persistent hum I mentioned at the start. The pulsation of the power supply, turned directly into sound.

Strictly speaking, even a DC heater supply is not entirely free from ripple.

The Answer: A Regulated Power Supply

My father had built an oscilloscope as a student. In test instruments, accuracy hinges on the quality of the power supply. He must have known this well, long before hum ever became an issue.

The same goes for audio. And he’d already had his share of failures.

He must have wrestled with hum many times over—agonizing, thinking, confronting his circuits again and again.

Even with brute-force capacitance, ripple never goes to zero. And so he came to believe that the answer lay in suppressing it through active means, through design.

The answer was a constant-voltage power supply.

Stabilized Power Supply Circuits in Practice, covering both tube and transistor designs, 1977 (Photo 1-19)
A textbook on stabilized power supply design.

Detect the ripple. Cancel it out. Actively correct the supply voltage so that it holds steady. What we now call a regulated power supply.

The catch: it requires an additional electronic control circuit—tubes or transistors, or both. Sound in principle, but the parts multiply and the design grows complex.

1960s vacuum-tube series-regulated power supply using 6080 as pass tube, reconstructed by author (Photo 1-36)
A typical 1960s vacuum-tube series-regulated power supply using the 6080 as the pass tube — reconstructed by the author.

Even so, my father had wanted to take that path.

It wasn’t unrelated to another challenge that OTL amplifiers carry.

The Realm of Full Direct Coupling

OTL covers many topologies, but in the SEPP configuration my father built, half the supply voltage appears at the output terminal. Connect a speaker without protection, and that DC voltage hits it head-on. The speaker burns out.

The usual solution: block the DC with a capacitor.

But interposing a capacitor sacrifices bass response. That isn’t all. Speaker impedance is low, demanding a large-value capacitor.

The only practical option is an electrolytic capacitor. And yet, for all its capacity, the electrolytic is riddled with shortcomings—leakage current, distortion, gradual degradation. Hardly an ideal component. Removing the output transformer only to compromise the signal path with an electrolytic defeats the purpose.

So my father chose a path that eliminated the capacitor entirely. By building two symmetrical power supplies—one positive, one negative—the output terminal can be held at zero volts. No output transformer. No output capacitor. What my father called “full direct coupling.”

The price: if the midpoint potential drifts from zero, direct current flows straight into the speaker. Rigorous monitoring is essential. Otherwise, the kind of explosive incident my father once experienced becomes a real possibility.

That was why he checked the meters every time he powered the system on—verifying positive and negative supply voltages, carefully adjusting the bias.

A constant-voltage power supply might ease that burden somewhat. With the symmetry of positive and negative voltages guaranteed, keeping the midpoint potential at zero becomes more manageable.

Father’s Choice — An Unregulated Power Supply

And yet, the power supply my father actually built was unregulated.

There was, of course, a reason.

The output tube he ultimately chose for the OTL amplifier was the 6336—a beefed-up evolution of the 6080, with oversized plates capable of delivering far greater power.

CETRON 6336B vacuum tube, the OTL amplifier's output tube (Photo 1-47)
CETRON 6336B. The output tube my father chose for his OTL amplifier.

Its defining characteristic: very low plate resistance. It can handle large currents. That is precisely what makes it suited to OTL amplifiers, which must drive the heavy load of a loudspeaker directly.

But low plate resistance is a double-edged sword. Fluctuations in the supply voltage translate readily into shifts in the operating point. In an OTL running at high current, the effect is not something you can ignore.

That is why, in his younger years, my father had wanted to regulate the power supply for his power amplifier.

But there was a dilemma: the power supply itself would become enormous. The same trap as the multi-amp system. Chase the ideal, and the equipment grows without limit.

In fact, what my father meant by “constant-voltage power supply” was, structurally speaking, a power amplifier in its own right. In operating principle and in circuit topology, it amounts to the same thing.

Regulating the power supply of an OTL amplifier is tantamount to building another amplifier of comparable scale. And with positive and negative rails both requiring regulation, you’re looking at three amplifier-sized units in total. As a practical plan, it defied reason.

So my father made his decision: an unregulated power supply, brute-forced with sheer capacity.

This eliminated the need for any regulation circuitry. The result: a power supply that was large in scale yet utterly simple in structure.

And so my father’s OTL amplifier took the form of a two-unit system—amplifier and unregulated power supply, side by side.

Industrial-grade electrolytic capacitors, heavy and secured with metal bands (Photo 1-17)
Industrial-grade electrolytic capacitors. 350 V / 10,000 µF. 450 V / 4,100 µF.

A testament to sheer scale. 350 V / 10,000 µF. 450 V / 4,100 µF. Industrial-grade electrolytic capacitors.

Monstrous specifications. The kind of components you wouldn’t find in an ordinary parts shop.

Capacitance on a scale unthinkable in Takesue’s day—an order of magnitude or more beyond what textbooks of that era prescribed. With reservoirs this vast, even without regulation, the capacitors act as an enormous dam, absorbing the voltage ripple. Ripple shrinks. That low, persistent hum has nowhere to hide.

And when Metallica or Ondekoza demanded deep bass—when the tubes were straining to drive the speakers hard—a dam that size could unleash its stored energy in one surge. With reserves to spare, the water level—the voltage—holds steady. The amplifier doesn’t give way.

The Craft of Implementation

Circuit design alone doesn’t solve everything, of course.

My father paid just as much attention to how the equipment was built as to the circuits themselves.

Wire routing. Grounding strategy. The distance between transformers and signal circuits. Chassis rigidity.

None of these appear on a schematic, but every one of them has a direct effect on noise and hum.

Inside the OTL amplifier showing wire routing and component layout (Photo 1-18)
Inside the OTL amplifier. Wire routing and component layout.

Twisting wires together. Arranging components so that signal paths stay short. Standing up shield plates.

I’d watched him do these things for as long as I could remember.

He seems to have built up his own style, layer by layer, through years of reasoning and hands-on experience. That’s the feeling I get.

An All-Tube Multi-Amp

The summit my father reached: an all-tube multi-amp system. And yet, he deliberately chose not to make it all-OTL.

For the mid and high frequencies, where the demands of deep bass reproduction don’t apply, OTL was unnecessary. He made that call cleanly. Or perhaps—perhaps he simply wanted to see the so-called “king” of output triodes, the 300B, performing alongside the 2A3, often regarded as its “queen.”

“Picked up a fine transformer. How’s that?”

—Before he was “an OTL man,” he was a vacuum-tube man.

Those two transformer-coupled amplifiers—I have to say, they had a beauty to them, almost like fine craft. A chassis finished in champagne gold and matte black. Transformers standing in rows like high-rises. Glass envelopes tracing elegant curves. The glow of the filaments lending an air at once ethereal and solemn. The very picture of a tube amplifier.

There was something almost alive about them—almost like instruments.

And yet he let them go without a second thought. That clean detachment was so typical of him.

Over Slices of Octopus

“When it comes down to it, what determines ‘sound’?”

In later years, we often found ourselves debating this.

A regulated supply might banish hum, but if the underlying power source isn’t solid, deep bass reproduction doesn’t stand a chance. Removing the output transformer alone isn’t enough. Nor is removing the output capacitor. Nor is bringing in a heavy-duty output tube. Nor is piling on more smoothing capacitors and chokes. Even the diodes and the power transformer need headroom—don’t they?

When a deep thud arrives, the amplifier has to reproduce it in full and drive it cleanly into the speaker. The speaker itself has to move, and move the air. The enclosure has to support the speaker firmly. From input to output, everything has to work together. Perhaps that’s what it comes down to.

“And yet, no matter how far we go, put on Ondekoza and the whole room still trembles. Well… what can you do.”

Over slices of octopus, a little flushed from drink, we would sit and talk about things like that.


1-8 A Maker’s Back

My father was drawn to anything new.

A Fostex edgeless woofer. A Sharp pocket computer. A Sony CD Walkman. A Pioneer LaserDisc player…

Whenever something novel came along, he was on it.

Come to think of it, the squawker that partnered with the back-loaded horn was also a Pioneer.

Housed in a round aluminum cylinder, finished entirely in matte black, with a soft matte silver center cap—it left an impression on me even as a child. Until then, I had assumed speakers were made of paper and wood.

—”It’s round.”

—”That’s the latest squawker. Pioneer makes interesting things.”

“Pioneer”—I believe he also explained what the word meant, that day.

Looking back, the CD player we used for Ondekoza was a Pioneer too. So was the turntable he picked up at a flea market in his later years.

Did that make him a Pioneer loyalist? I don’t think it was that simple. What I think now is that it was the word itself that drew him—not Pioneer the brand, but pioneer the word.

And once you see it that way, even his choice of cassette tapes starts to look like it came from the same root.

“Hey. Take a look at this. The body’s made of metal. Impressive, right?”

“What is this? Whoa—it’s heavy!”

“See? It’s a metal tape. The sound is something else.”

“Huh.”

TDK’s MA-R. A skeleton body with the aluminum die-cast frame on full display. The flagship of the metal-position lineup. A product from around 1980. Back then, cassette tapes came in black plastic shells, the tape itself barely visible through a tiny window in the center. That was the norm. A bold design, to say the least. Naturally, as a primary-school kid, I was convinced it was called a “metal tape” because the case was made of metal. It made perfect sense to me.

After that, every time some talked-about new product appeared, he brought one home. Technics’ “Angstrom”—a tape pushed to the limits of smoothness through vapor deposition technology. Sony’s “UX/Metal Master”—an all-ceramic, pure white body engineered to suppress every last vibration. More than just liking new things—perhaps he simply couldn’t resist anything with an edge.

SONY Metal Master cassette tape, a birthday gift from father (Photo 1-34)
A Metal Master my father bought me for my birthday. Too precious to use lightly—I agonized over what to record on it.

Naturally, a man like that adapted quickly to new technology.

From early in his career he had worked with mainframe computers, and he would often talk about Fortran this and Fortran that. He had a PC-9801 at home early on—back when it was still an expensive business machine, utterly foreign to ordinary households.

He was a vacuum-tube man, yes—but he never once dismissed transistors. Of course, there were times he spoke with heat about what only vacuum tubes could do. But even then, it was always grounded in specifications and data.

Come to think of it, this must have been when I was in junior high. I was rummaging through my father’s parts box, looking for resistors I was short on. And there—a pile of 2SC1815s. A transistor that was still cutting-edge at the time. I was surprised. Why would my father have these?

But the longer I stared into that box, the more it clicked. He must have been planning to run the heaters on his next synchroscope off a semiconductor-regulated power supply.

I quietly helped myself to one 2SC1815 along with the resistors, and closed the lid. That happened, too.

2SC1815 transistor, manufactured 1984 — Japan's most famous transistor, from father's parts box (Photo 1-49)
2SC1815. The most famous transistor in Japan. Manufactured in 1984. The very one I helped myself to from my father’s parts box.

There was another side to him—and he knew it himself. A competitive streak.

In his younger days, my father was a committed heavy smoker. Three packs a day. The room always thick with smoke. I was regularly sent on errands to buy them.

Then one day, just like that, he quit cold.

Years later, it occurred to me to ask why.

“You used to go through pack after pack. How on earth did you just stop?”

“Someone at work said to me, ‘You? You’re the type who could never quit smoking.’”

“Okay. And?”

“That did it. I snapped. ‘Fine. Watch me. I’ll quit right now.’ And I grabbed every last pack and hurled them into the trash.”

“You quit over that? Still—the fact that you actually pulled it off is something.”

Something must have really got under his skin. Hard to say exactly what the trigger was, but…

My mother put it this way: moving into an industry completely outside his background only sharpened that competitive edge.

“He really did study. I used to watch him and think, well… isn’t that something.”

Weekends, holidays—it didn’t matter. Textbooks full of equations spread across the desk, his brow furrowed as he filled notebook after notebook with formulas. I can still see him like that.

Oscilloscopes. OTL. Multi-amp. And regulated power supplies.

My father’s bookshelves were full of volumes on these subjects. Nearly every one of them had notes scribbled in the margins. I think he was, by nature, someone who never stopped learning.

Or maybe “learning” doesn’t capture it—more like a man made entirely of curiosity. He would start from theory, but in the end, he always had to confirm things with his own hands.

Or maybe not even curiosity—maybe it was a single-minded insistence on getting things right. If something good existed, he bought it. If it wasn’t for sale, he built it himself.

Speakers—handmade. Fishing tackle—handmade. Furniture, shelving—handmade. And the guitar stand, too.

Father's handmade bamboo craft (Photo 1-14)
Handmade by my father. Bamboo work.

And then—of all things—he built his own camera.

Father's camera collection — Tachihara large-format, modified Mamiya C twin-lens, and a handbuilt camera with Schneider-Kreuznach lens (Photo 1-15)
From my father’s camera collection. Left to right: a large-format camera (Tachihara), a twin-lens reflex (modified Mamiya C), and my father’s own build. A wooden body housing a Schneider-Kreuznach Super Angulon 47mm lens, fitted with a Horseman roll-film holder.

A few of his photographs remain, framed.

Fringed orchid (Habenaria radiata) photographed by father — a study in light (Photo 1-16)
A fringed orchid (Habenaria radiata), photographed by my father. A study in light—one of his works.

A book of photographs by Ken Domon still sits on the shelf, alongside the sheet music and technical manuals.

Ken Domon (1909–1990), a leading figure in Japanese documentary photography, known for his unflinching realism and his portraits of Buddhist sculpture.

A man who built everything himself—it would have been easy to see him as just a DIY enthusiast. But I don’t think that was what drove him. What my father was looking at lay beyond the making. It was “sound.” It was “light.” It was the very shape and presence of whatever stood before him. Or even the “taste” of what he had caught.

My father.

Perhaps he was a man who simply would not stop until he was satisfied. Watching his back, I grew up.

End of Chapter 1